EasyManua.ls Logo

Climax FF6300 - Surface Mount Assembly; Surface Mount Assembly Dimensions

Default Icon
132 pages
Print Icon
To Next Page IconTo Next Page
To Next Page IconTo Next Page
To Previous Page IconTo Previous Page
To Previous Page IconTo Previous Page
Loading...
P/N 80679, Rev. 10 Page 19
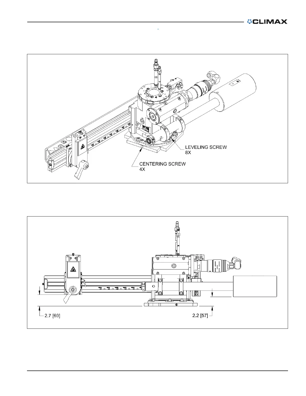
2.1.5 Surface mount assembly
FIGURE 2-5. SURFACE MOUNT ASSEMBLY
2.1.6 Surface mount assembly dimensions
FIGURE 2-6. SURFACE MOUNT ASSEMBLY DIMENSIONS

Table of Contents

Related product manuals