EasyManua.ls Logo

CONQUEST 80 - Wiring Diagrams

CONQUEST 80
130 pages
Print Icon
To Next Page IconTo Next Page
To Next Page IconTo Next Page
To Previous Page IconTo Previous Page
To Previous Page IconTo Previous Page
Loading...
- -
-
-
- -
C
F'l-1
~
W------J
,------- BK----
TO 11511/60
POWER SUPPLY
K3 Pl-9
f-'l-2
.-----+~ i-=-~ N-
r--<iof--------,i!DMl)-----<!E--~---
P3-3
PJ-2
~6K H-et t
MAIN LIMIT
CONTROL
PR
y
BL
4 4
3 3
I
I
2 2
l
7
6 6
8
8
ROLLOUT
CONTROL
HEAT ASSISTED LIMIT
....+---~~gt~~OL <OOWNFLOW
y
R R
r-+--+--------,1---+--~-i---<W
9 9
115 VA[
~-----------a0>----0-,,c,c r-0-----~
ri I7 5 2 9 DISC
P4-2 P4-I X fU CT=
ROBERTSHAW OR
HONcYWELL
9-PIN
~
BK
r--<!e--<!E-----1>----?~
CONNECTOR
7200
VR8200 P2-5
PJ-5 2.0A 24VAC
P-2 ~-------------.-~ 9 PIN
SL.OW BLOW _ GNn
0 CONNECTOR
P5-l
- R
P-I
P·lm0
P?-8
w-------
0
BLOWER/
000
000
INDUCER
0
CONTROL
P5-2
G
- - - -,,,.£ ©
TO CC
{
-0)
f-'2
f')·/
w~BK RY
I
II
CT
UNUSED MOTOR LEADS -
R _ _,.,_ ____ _,
u---,1-------- BK --------~
W -----------J
-=-cNo
PBS
!BLOWER DOOR
SWITCHJ
Pl
(=:
WIRING INFORMATION
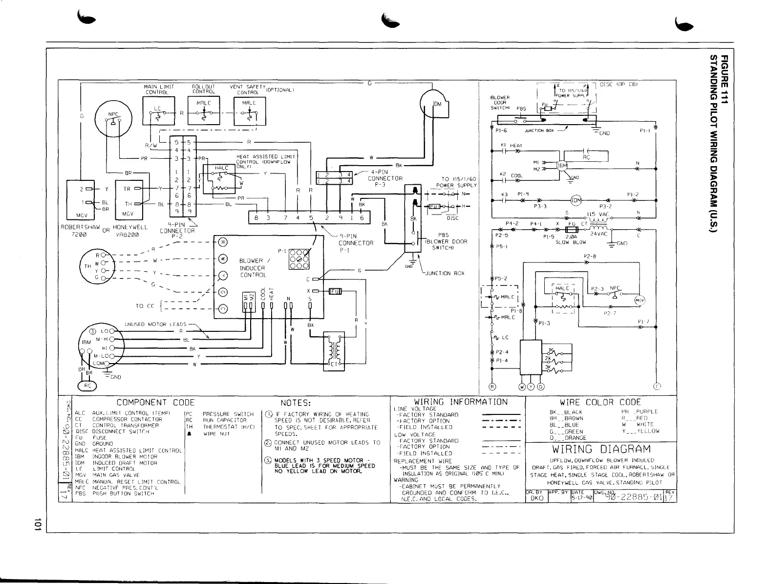
COMPONENT CODE
NOTES:
WIRE COLOR CODE
f,,
LINE VOLTAGE
z
AL.C
AUX. I !ML I CONTROL I IEMPI
BK_ 81.ALK
PH PUf,PLE
PC
PR[SSURE SWITCH
(I) IF FACTORY WIRING Of HEATING
-FACTORY STANOARD
n
cc
COMPRESSOR CONTACTUR
BR _BROWN
H Fffll
RC RUN Cf1PACITOR
SPEED IS NOT DESIRABLE. REI El1
-f AC TORY OPTION
BL BLUE
W WH] TE
CT
CONTROL TRANSCORMER
.0
TH
THcRMOSTAT IH/CI
-FIELD INSTALLED
cs, 0Isr DISCONNECT SWITCH
TO SPEC. SHll T FOR APPROPRIA ff
G GREEN
Y Y[ LL UW
WIRE NUT
SPEEDS .
LOW VOLT AGE
I
FU
FUSE
0 ORANGE
FACTORY STANDARD
N
([) CONNECT UNUSED MOTOR LEADS TO
GNO GROUND
-FACTORY OPTION
rv
Ml AND M2
HALC
HEAT ASSISTED LIMIT CONTROL
WIRING DIAGRAM
CD -FIELD INSTALLED
IBM
INDOOR BLOWER MO IOR
(D
UPFLOW, OOWNFLOW BLOWE_R [NDUlUJ
(D MODELS WITH 3 SPEED MOTOR -
REPLACEMENT WIRE
!OM
INDUCED DRAFT MOTOR
lJl
BLUE LEAD IS FOR MEDIUM SPEED
ORAF T, GAS F-IRED. FORCED AIR FURNACL. SINGLE
cs,
-MUST BE THE SAME SIZE AND TYPE OF
I Lr L ]MIT CONTROL
NO YELLOW LEAD ON MOTC:R
INSULATJON AS ORIGINAL 1105" C MIN.I
MGV
MAIN GAS VAL Vf STAGE HEAT, SINGLE STAGE COOL. ROB[RTSHAW OR
MRL C
MANUAL RESET LIMIT CONTROL
WARNING
HONEYWELL GAS VALVl. STANDING PILOT
m NP[
NECAT]VF PR[S. CONT'L
~
-CABINET MUST BE PERMANENTLY
~<
PBS PUSH BUT TON SWJTCH
D . y APP. BY LJATE uwu.~P., REV
'--1
GROUNDED ANO CONF UHM ID l.t.C.,
DKO 517-90 '-JU-228Wj-0]) /
N.E.C. ANO LOCAL CODES.
G
BL
BR
[]
R
V
en-n
-I -
C>
z C:
2~
z ....
C>....
,,....
j=
s
=i:
:0
z
C>
C
C>
::0
s::
'2
(/)
.;...
....
0

Table of Contents