EasyManua.ls Logo

CONQUEST 90 - Page 104

CONQUEST 90
126 pages
Print Icon
To Next Page IconTo Next Page
To Next Page IconTo Next Page
To Previous Page IconTo Previous Page
To Previous Page IconTo Previous Page
Loading...
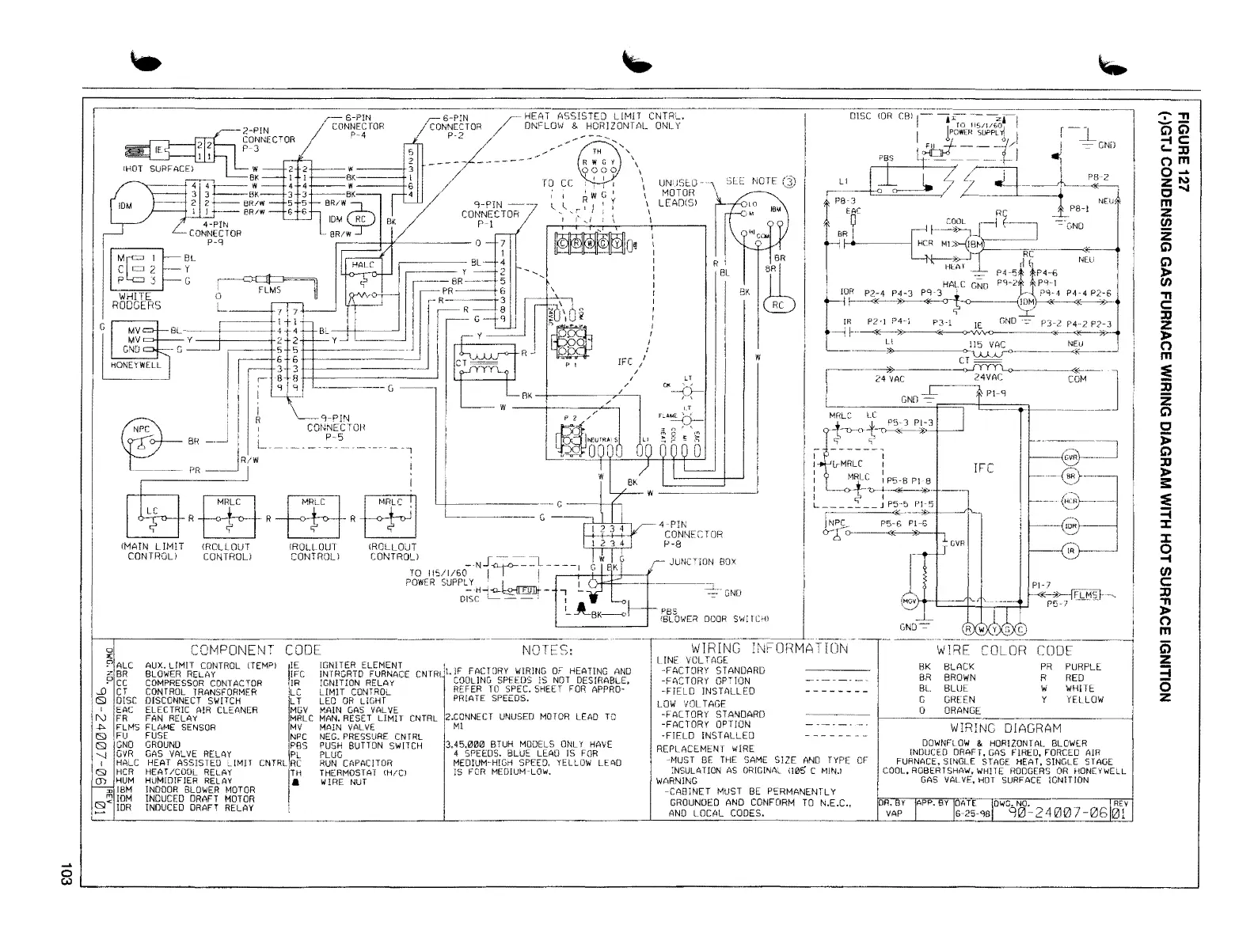
6-P!N
/ HEAT ASSISTED LIMIT CNTRL.
/ ow-LOW & HORIZONTAl_ ONL y
DISC COR CBI
G
w
BK
U
jl==swK
2t--BR/W
.. 1..J-- BR/W
4-PIN
CONNECTOR
P-9
CONNECTOR
P-4
l~E~~r
6~ :'Pi rr!m-R
WHITE
RODGERS
MV
4 s_-1-1- _J I 11
2 y_l L j I
9-PJN
CONNECTOR
P-1
----G
/
p '_,/
r
ult-iEUYRA\'$
.-9F0
1
,
I
I
I
I
I
LJN:.JSi:.O••
MOTOR
LEADiSI
LT
"-q-
SfcE NOff@
w
~
=-1-
7
'-;t;:tt::::!:==L---
::J ..
I_
A_BK---<•
DOOR
WIRING rr,~FORMATIDN
LINE VCLT AGE
-FACTDllY STANDARD
-FACTORY
P-ION
-FIELD INSTALLED
LOW VOLTAGE
-FACTORY STANDARD
-FACTORY OPTION
-FIELD iNSTALLED
REPLACEMENT WIRE
-MUST BE THE SAME SIZE AND TYPE CF
:NSULATJON AS ORiGINAL i106 C MIN.l
WARNING
-CABINET MUST BE PERMANENTLY
GROUNDEDANDCONFORM TO N.E.C.,
ANO L.OCAL CODES.
Pl-7
--rt:(~il -~
'--+--!-~~....,.J P5- 7
Wli=lE COLOR CCJOE
BK
BLACK PR PURPLE
B.~
BROWN
R RED
BL BLUE
w
WHITE:
G GREEN
y
YELLOW
0 ORANGE
WIRING DIAGRAM
OOWNFLOW& HORIZONTAL BLOWER
INDUCED ORt\FT. GAS FIRED, FORCED AIR
FURNACE.SINGLESTAGE HEAT,SJNGLE STAGE
COOL,ROBERTSHAW, WHlTE FlOOGERS OR HONEYWE~L
GAS VALVE, HOT SURFACE IGNITION
MV
I
GND
I
5
~:;~~~~~~~~~--
I
IFC /
!~+---------- I
I
I
' 9 / 9 -----G ---
I
I
1 I - '
I
I I
·-9-PIN
CONNECTOR
_J ! R
P-5
,fE,ffi,f_E
I
(MAIN LIMIT <ROLL OUT !ROLL OUT <ROLI_OJT
CON TROLi CONTROL! CON TR OU CONTRO!..I
rn 11s111so- N{ - -r---
P
wER
SUPPL_Y H~-o..~-
DISC~--·
7
1
:...
Cl
,:
COMPONEN, CODE NOTES:
P ALC AUX. UM!T CONTROL CTEMPI IE
[GNITER ELEMENT
z BR BLOWERRELAY
!FC
INT RGRTD FURNACE
CNTR h.JF FACT '.JRY WIRING Di' HEATING AND
I
p CC COMPRESSOR CONT AC TOR
lIR !GN!TION RELAY
-0 CT CONTROL TRANSFORMER LIMIT CONTROL
(S) DISC DlSCONNECT SWITCH
H
LEO OR LIGHT
1 EAC ELECTRIC AIR CLEANER
MGV
MAIN GAS VAL VE
N FR FAN RELAY MRLC
MAN. RESET LIM!l CNTRL
~
FLMS FLAME SENSOR
MV MAIN VALVE
ISi FU FUSE
NPC NEG.PRESSURE CNfRL
I
(S) GNO GROUND
PBS
PUSH
BUTTON SW!TCH
'...J GVR GAS VALVERELAY
PL PLUG
1 HAL_C HEAT ASSISTED c!M!T
CNTRL RC
RUN CAPACITOR
I
(S) HCR HEAT /COOL RELAY
THERMOSTAT(H/CI
CJ) HUM H;JM!DIF!ER RELAY
WIRE NUT
,~;
~
IBM INDOOR BLOWER MOTOR
/SJ~ JOM INDUCED DRAFT MOTOR
- !DR INDUCED DRAFT RELAY
I
....
0
COOLING SPEEDS lS NOT DESIRABLE,
REFER TO SPEC.SHEET FOR APPRO-
PR!ATE SPEEDS.
2.CONNECT UNUSED MOTOR LEAD TC
Ml
3.45,000 BTUHMODELS ONLY HAVE
4 SPEEDS.BLJE LEAD IS FOR
MED!UM-H!Grl SPEE~. YELLOW LEAD
IS FCR MEO[UM-LOW.
c.:>._ ___________________________________________________________________________
7"11
15i5
~c
(.. ::D
om
0 ......
zN
c .....
m
z
en
z
C)
C)
>
en
.,,
C
::D
z
>
0
m
~
:!!
z
C)
C
;;:
C)
::D
>
s:::
:E
=i
:::c
s
::r;
en
C
::D
~
0
m
i5
z
3
0
z
__J
DR. Y
YAP

Table of Contents