EasyManua.ls Logo

CPG Compuprint SP 40 - Page 47

CPG Compuprint SP 40
144 pages
Print Icon
To Next Page IconTo Next Page
To Next Page IconTo Next Page
To Previous Page IconTo Previous Page
To Previous Page IconTo Previous Page
Loading...
Maintenance Manual SP 40
Rev. 005
37
Chapter 2
Removals
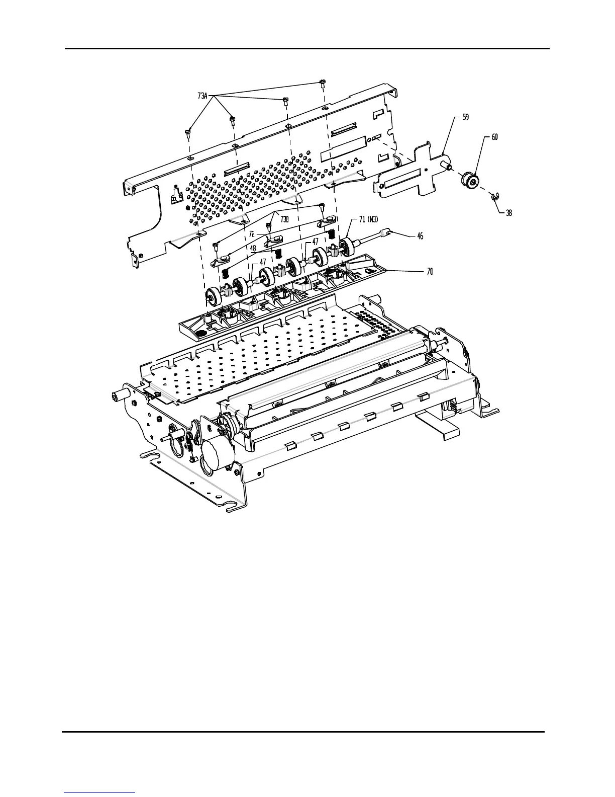
Figure 2.16 - Rear Roller Assy Removal

Table of Contents