EasyManua.ls Logo

CPG Compuprint SP 40 - Page 55

CPG Compuprint SP 40
144 pages
Print Icon
To Next Page IconTo Next Page
To Next Page IconTo Next Page
To Previous Page IconTo Previous Page
To Previous Page IconTo Previous Page
Loading...
Maintenance Manual SP 40
Rev. 005
45
Chapter 2
Removals
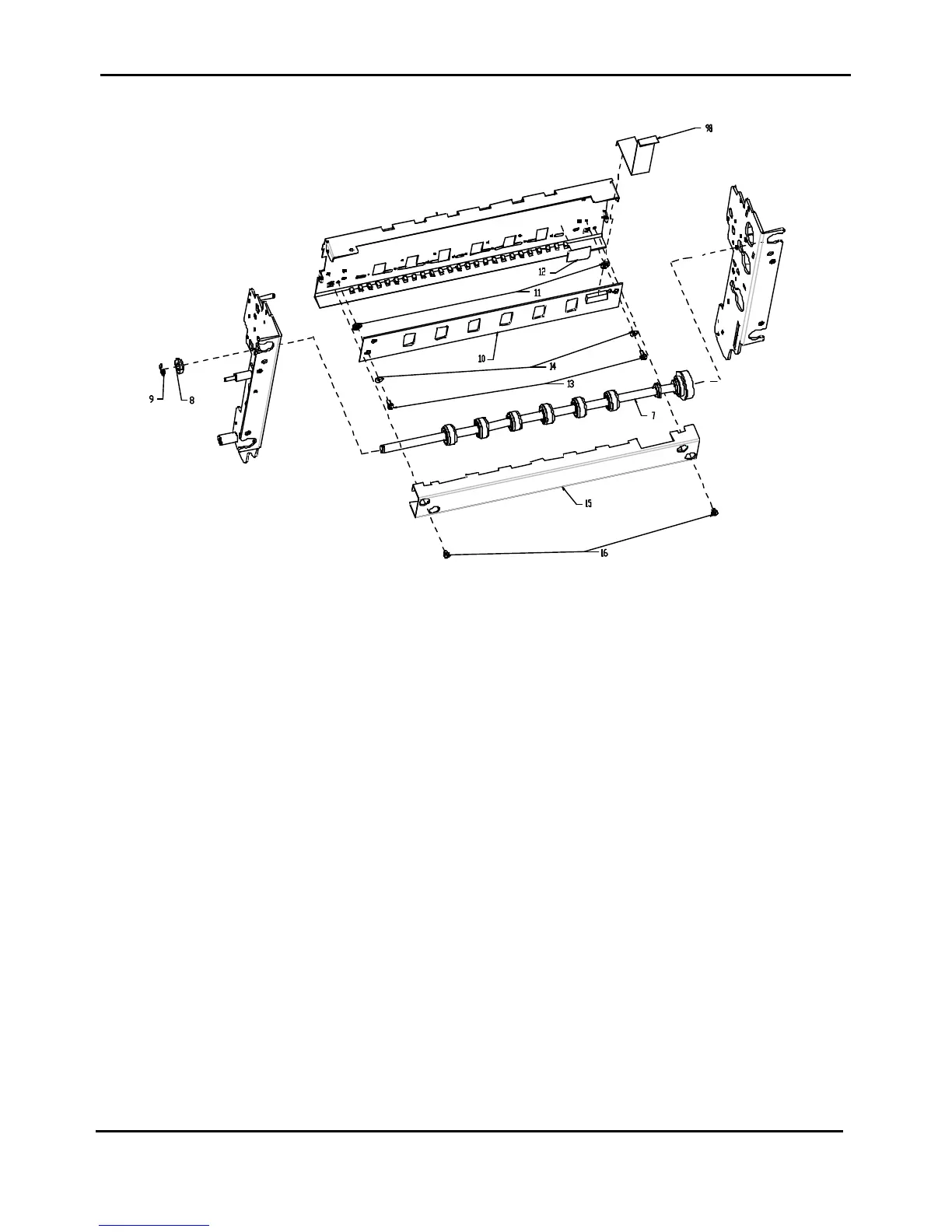
Figure 2.21 - Sensor Board and Sensor Cable Removal

Table of Contents