EasyManua.ls Logo

Daikin Super Multi Plus E-Series - Cooling Oil Return Operation

Daikin Super Multi Plus E-Series
456 pages
Print Icon
To Next Page IconTo Next Page
To Next Page IconTo Next Page
To Previous Page IconTo Previous Page
To Previous Page IconTo Previous Page
Loading...
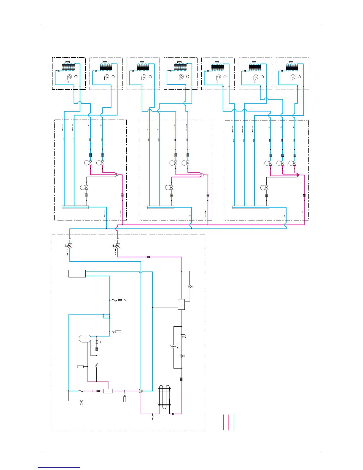
Refrigerant Flow for Each Operation Mode SiEN18-622
90 Refrigerant Circuit
3.3 Cooling Oil Return Operation
EV
H
: Full closeEV
C
: 56 plsEV
B
: SH control
OUTDOOR UNIT
EXPANSION VALVE
(
BYPASS
)
FILTER
FILTER
ELECTRONIC
EV
H
EXPANSION VALVE
(
ROOM A
)
EXPANSION VALVE
(
ROOM B
)
EXPANSION VALVE
(
ROOM C
)
ELECTRONIC
ELECTRONIC
ELECTRONIC
EV
C
EV
B
EV
A
FILTER
FILTER
FILTER
THERMISTOR
(
DGC
)
THERMISTOR
(
DGB
)
THERMISTOR
(
DGA
)
THERMISTOR
(
DLC
)
THERMISTOR
(
DLB
)
THERMISTOR
(
DLA
)
GAS SIDE
GAS SIDE
GAS SIDE
LIQUID SIDE
LIQUID SIDE
LIQUID SIDE
EXPANSION VALVE
(
BYPASS
)
FILTER
FILTER
ELECTRONIC
EV
H
EXPANSION VALVE
(
ROOM A
)
EXPANSION VALVE
(
ROOM B
)
ELECTRONIC
ELECTRONIC
EV
A
EV
B
FILTER
FILTER
THERMISTOR
(
DLA
)
THERMISTOR
(
DLB
)
THERMISTOR
(
DGA
)
THERMISTOR
(
DGB
)
GAS SIDE
GAS SIDE
LIQUID SIDE
LIQUID SIDE
EXPANSION VALVE
(
BYPASS
)
FILTER
FILTER
ELECTRONIC
EV
H
EXPANSION VALVE
(
ROOM A
)
EXPANSION VALVE
(
ROOM B
)
ELECTRONIC
ELECTRONIC
EV
A
EV
B
FILTER
FILTER
THERMISTOR
(
DLA
)
THERMISTOR
(
DLB
)
THERMISTOR
(
DGA
)
THERMISTOR
(
DGB
)
GAS SIDE
GAS SIDE
LIQUID SIDE
LIQUID SIDE
FIELD PIPING
FIELD PIPING
SIRROCO FAN
FAN MOTOR
M
HEAT EXCHANGER
M
M
M
M
M
M
BP UNIT
(Q0522)
EV
A
: 56 pls EV
H
: SH controlEV
B
: 56 pls
EV
H
: Full closeEV
B
: 56 pls
EV
A
: SH control
EV
A
: SH control
FIELD PIPING
FIELD PIPING
SIRROCO FAN
FAN MOTOR
HEAT EXCHANGER
FIELD PIPING
FIELD PIPING
SIRROCO FAN
FAN MOTOR
HEAT EXCHANGER
FIELD PIPING
FIELD PIPING
SIRROCO FAN
FAN MOTOR
HEAT EXCHANGER
FIELD PIPING
FIELD PIPING
SIRROCO FAN
FAN MOTOR
HEAT EXCHANGER
FIELD PIPING
FIELD PIPING
SIRROCO FAN
FAN MOTOR
HEAT EXCHANGER
FIELD PIPING
"OFF"
"OFF"
"OFF"
"OFF"
"ON"
"ON"
"ON"
FIELD PIPING
SIRROCO FAN
FAN MOTOR
HEAT EXCHANGER
LIQUID LINE
STOP VALVE
GAS LINE
STOP VALVE
HEAT
EXCHANGER
THERMISTOR
HEAT
EXCHANGER
THERMISTOR
HEAT
EXCHANGER
THERMISTOR
HEAT
EXCHANGER
THERMISTOR
HEAT
EXCHANGER
THERMISTOR
HEAT
EXCHANGER
THERMISTOR
HEAT
EXCHANGER
THERMISTOR
HEAT
EXCHANGER
THERMISTOR
HEAT
EXCHANGER
THERMISTOR
HEAT
EXCHANGER
THERMISTOR
HEAT
EXCHANGER
THERMISTOR
HEAT
EXCHANGER
THERMISTOR
HEAT
EXCHANGER
THERMISTOR
HEAT
EXCHANGER
THERMISTOR
SV
HPS
SV
Oil
separator
SERVICE PORT
ELECTRONIC
EXPANSION VALVE
HIGH PRESSURE
SWITCH
FILTER
PRESSURE
REGULATING VALVE
FILTER
LOW PRESSURE
SENSOR
CAPILLARY
TUBE
FILTER
CAPILLARY
TUBE
FOUR WAY
VALVE
FILTER
FILTER
SOLENOID
VALVE
SP
CAPILLARY
TUBE
SOLENOID
VALVE
SP
HEAT EXCHANGER
COMPRESSOR
ELECTRONIC
EXPANSION VALVE
SERVICE
PORT
HIGH PRESSURE
SENSOR
DOUBLE PIPE
HEAT EXCHANGER
ACCUMULATOR
EV1 480 pls
EV2 Full close
SVP OFF
: High pressure liquid refrigerant
: High pressure high temp. gas refrigerant
: Low pressure low temp. liquid or gas refrigerant

Table of Contents

Related product manuals