EasyManua.ls Logo

Daikin Super Multi Plus E-Series - BP Units

Daikin Super Multi Plus E-Series
456 pages
Print Icon
To Next Page IconTo Next Page
To Next Page IconTo Next Page
To Previous Page IconTo Previous Page
To Previous Page IconTo Previous Page
Loading...
Refrigerant Circuit SiEN18-622
86 Refrigerant Circuit
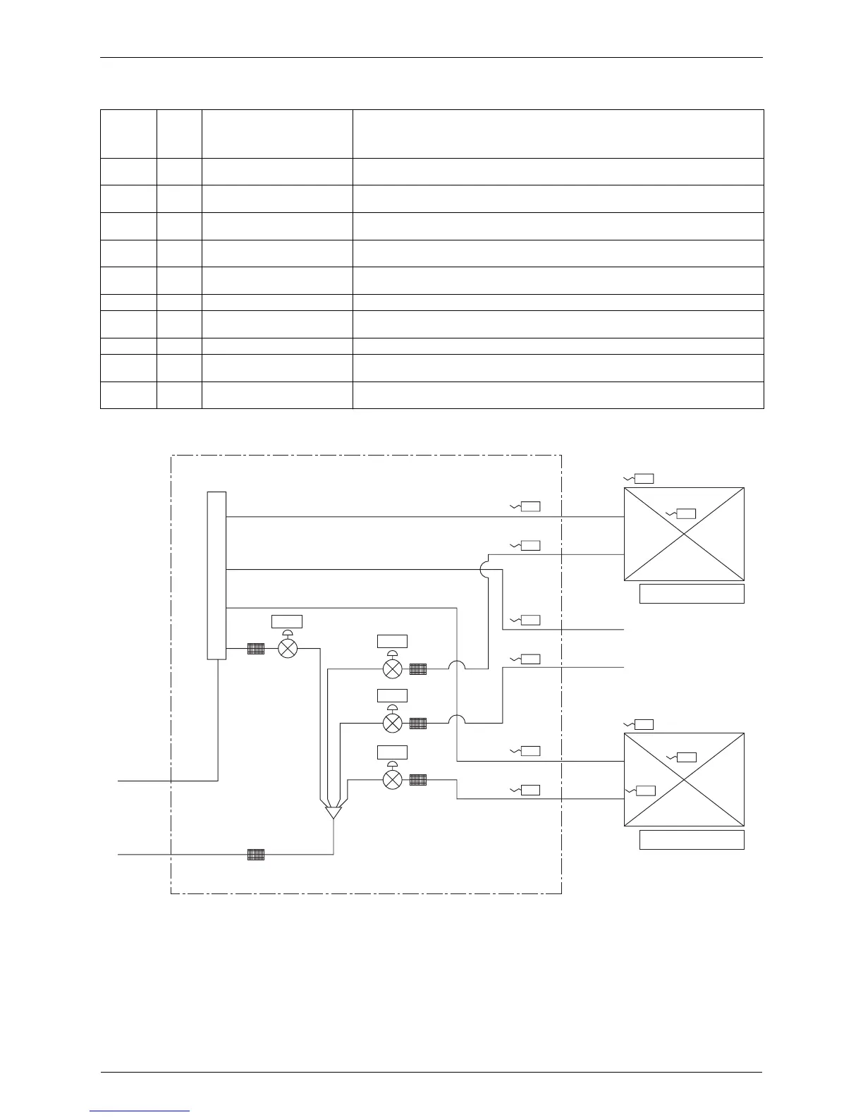
1.2 BP Units
No. in
refrigerant
system
diagram
Symbol Name Major Function
A EVU
Electronic expansion valve
(for operating room)
Among EVA, EVB and EVC, the electronic expansion valve of operating room is called
EVU.
B EVT
Electronic expansion valve
(for stopping room)
Among EVA, EVB and EVC, the electronic expansion valve of stopping room is called
EVT.
C EVH
Electronic expansion valve
(Bypass)
While in oil return operation, used to adjust the refrigerant circulating rate of indoor
unit.
1
DGA
~ DGC
Thermistor (Gas pipe)
While in cooling operation, used to carry out the indoor unit SH control and cooling gas
pipe isothermal control.
2
DLA
~ DLC
Thermistor (Liquid pipe) While in heating operation, used to carry out the indoor unit SC control.
3 R1T Thermistor (Room temp.) Used to detect room air temperature and instructs the capacity supply to BP unit.
4 R2T Thermistor (Heat exchanger)
Used to detect heat exchanger temperature and carry out various protection functions
and controls of capacity.
5 R1T Thermistor (Room temp.) Used to detect room air temperature and instructs the capacity supply to BP unit.
6R2T
Thermistor
(Heat exchanger 1)
Used to detect heat exchanger temperature and carry out various protection functions
and controls of capacity.
7R3T
Thermistor
(Heat exchanger 2)
Used to detect heat exchanger temperature and carry out various protection functions
and controls of capacity.
Filter
Filter
Filter
Filter
Filter
RA indoor unit
SA indoor unit
EVA
EVH C
A B
EVB
EVC
(Q0403)
1
2
3
4
5
6
7
To
outdoor
unit

Table of Contents

Related product manuals