EasyManua.ls Logo

Daikin Super Multi Plus E-Series - Page 98

Daikin Super Multi Plus E-Series
456 pages
Print Icon
To Next Page IconTo Next Page
To Next Page IconTo Next Page
To Previous Page IconTo Previous Page
To Previous Page IconTo Previous Page
Loading...
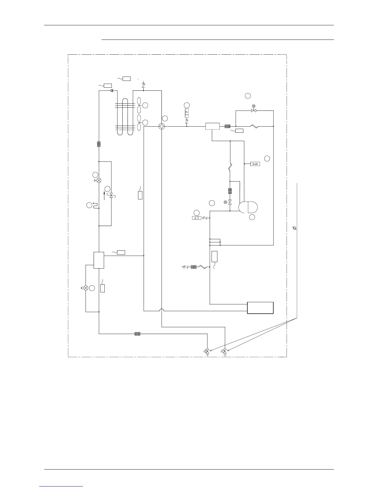
SiEN18-622 Refrigerant Circuit
Refrigerant Circuit 85
Refrigerant Circuit Diagram
C : 3D052627A
5
2
A
P
G
N
M
DD
O
H
1
4
3
6
7
F
S
E
T
Electronic
expansion valve
Electronic
expansion valve
Filter
Filter
Filter
Filter
Filter
Heat exchanger
Pressure
regulating valve
Service port
Service port
Compressor
Four way
valve
High pressure
sensor
High pressure
switch
Solenoid
valve
Capillary
tube
Oil
separator
Solenoid
valve
Accumulator
Stop valve (With service port on field piping side 7.9mm flare connection)
Capillary
tube
Capillary
tube
Low pressure
sensor
Double pipe
heat exchanger

Table of Contents

Related product manuals