EasyManua.ls Logo

Daikin Super Multi Plus E-Series - BP Units

Daikin Super Multi Plus E-Series
456 pages
Print Icon
To Next Page IconTo Next Page
To Next Page IconTo Next Page
To Previous Page IconTo Previous Page
To Previous Page IconTo Previous Page
Loading...
SiEN18-622 Piping Diagrams
Appendix 415
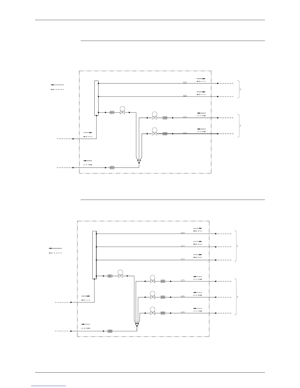
1.2 BP Units
BPMKS967A2, BPMKS967B2B
BPMKS967A3, BPMKS967B3B
Refrigerant flow
Outdoor unit
Local piping
LOCAL PIPING
LOCAL PIPING
LOCAL PIPING
Local piping
Local piping
Outdoor unit
(
19.1CuT
)
(
9.5CuT
)
Heating
Cooling
Filter
Filter
Expansion valve
(
BYPASS
)
Electronic
EV
H
Expansion valve
(
Room B
)
Expansion valve
(
Room A
)
Electronic
Electronic
EV
EV
B
A
Filter
Filter
Thermistor
(
DGA
)
Thermistor
(
DGB
)
Thermistor
(
DLA
)
Thermistor
(
DLB
)
Gas side
GAS SIDE
Liquid side
Liquid side
Indoor unit
(
15.9CuT
)
(
15.9CuT
)
Indoor unit
Room A
Room B
(
6.4CuT
)
(
6.4CuT
)
Room A
Room B
Gas
Liquid
3D048286B
Refrigerant flow
Outdoor unit
Outdoor unit
(
9.5CuT
)
(
19.1CuT
)
Heating
Cooling
Filter
Filter
EXPANSION VALVE
(
BYPASS
)
ELECTRONIC
EV
H
Expansion valve
(
Room C
)
Expansion valve
(
Room B
)
Expansion valve
(
Room A
)
Electronic
Electronic
Electronic
EV
EV
EV
A
B
C
Filter
Filter
Filter
Thermistor
(
DGB
)
Thermistor
(
DGA
)
Thermistor
(
DGC
)
Thermistor
(
DLA
)
Thermistor
(
DLB
)
Thermistor
(
DLC
)
Gas side
Gas side
Gas side
Liquid side
Liquid side
Liquid side
Indoor unit
Indoor unit
(
15.9CuT
)
(
15.9CuT
)
(
15.9CuT
)
(
6.4CuT
)
(
6.4CuT
)
(
6.4CuT
)
Room B
Room C
Room A
RoomA
Room B
Room C
Gas
Liquid
Local piping
Local piping
Local piping
Local piping
Local piping
Local piping
Local piping
Local piping
3D048285A

Table of Contents

Related product manuals