EasyManua.ls Logo

Daikin Super Multi Plus E-Series - Page 437

Daikin Super Multi Plus E-Series
456 pages
Print Icon
To Next Page IconTo Next Page
To Next Page IconTo Next Page
To Previous Page IconTo Previous Page
To Previous Page IconTo Previous Page
Loading...
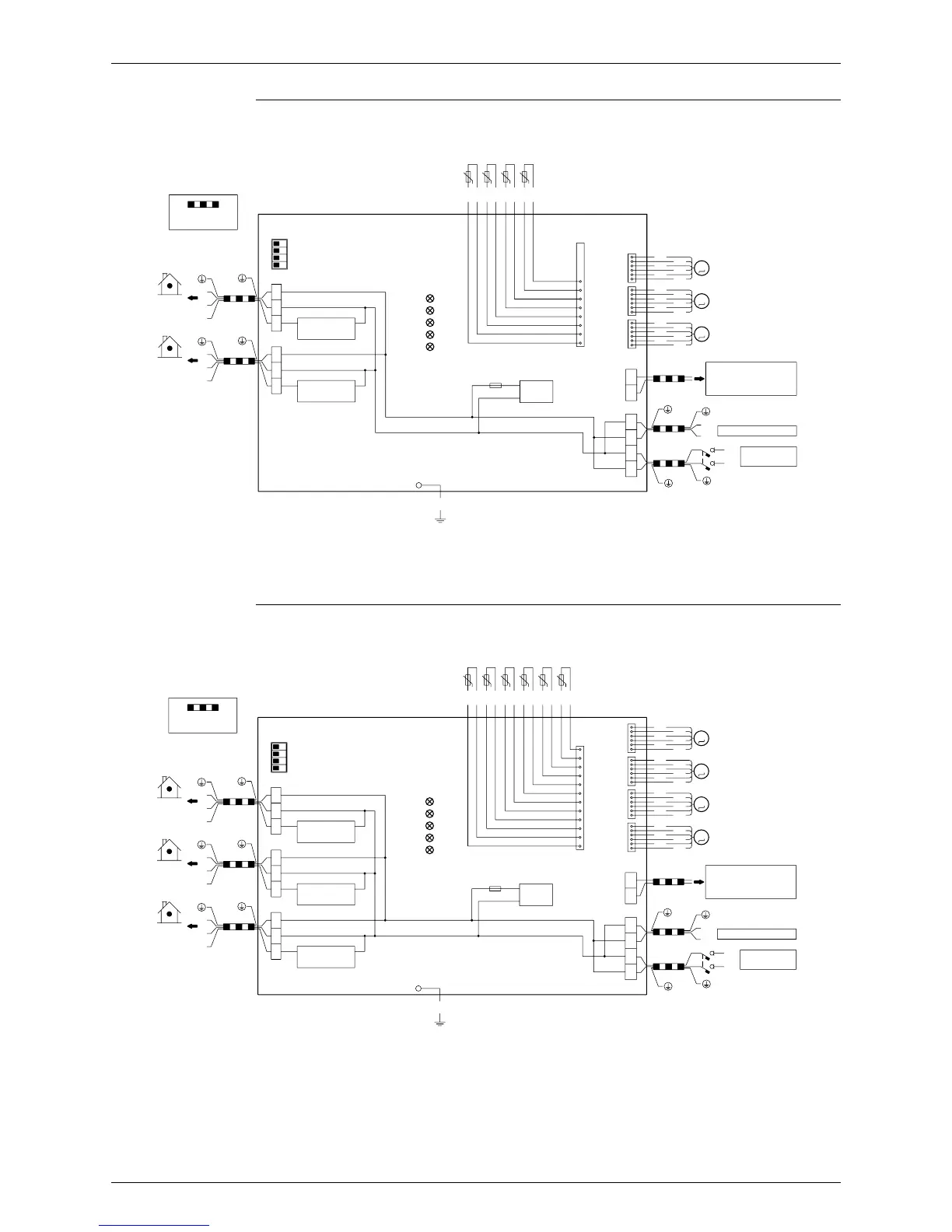
SiEN18-622 Wiring Diagrams
Appendix 425
BPMKS967B2B
BPMKS967B3B
ROOM B
ROOM A
INDOOR
INDOOR
FIELD WIRING
3
3
2
2
1
1
PCB
OFF
X3M
X4M
3
2
3
2
1
1
3
2
4
1
TRANSMISSION
TRANSMISSION
DS2
CIRCUIT
CIRCUIT
H3P
H4P
H2P
H5P
H1P
E1
LEDA
LED2
LED4
LED3
LED1
(
DLA
)
R1T
t°
(
DGA
)
R2T
3.15A
F2U
t°
(
DLB
)
R3T
t°
(
DGB
)
R4T
T201R
t°
(
WHT
)
X90A
12
1
(
WHT
)
(
RED
)
(
BLU
)
X22A
X20A
X21A
X6M
X1M
6
6
6
1
1
1
L2
F2
N2
L1
F1
N1
Y3E
Y2E
Y1E
M
M
M
L1
N1
FOR TRANSMISSION
TO OUTDOOR
(
F1•F2
)
OR OTHER BP UNIT
ROOM A
ROOM B
BYPASS
TO OTHER BP UNIT
N
L
POWER SUPPLY
230V~50Hz
BLK
BLK
BLK
BLK
BLU
BLU
BLU
BLU
YLW
YLW
YLW
RED
BLU
RED
BLU
RED
BLU
WHT
WHT
WHT
BRW
BRW
BRW
ORG
ORG
ORG
GRN/YLW
3D048565B
X20A~X22A
,
X90A
PCB
F2U
: CONNECTOR
: PRINTED CIRCUIT BOARD
: FUSE
H1P~H5P
R1T~R4T
DS2
T201R
X1M
,
X3M
,
X4M
,
X6M
Y1E~Y3E
: TRANSFORMAR
: TERMINAL STRIP
: MOTOR OPERATED VALVE COIL
: PILOT LAMP
: THERMISTOR
: DIP SWITCH
ROOM B
ROOM A
ROOM C
INDOOR
INDOOR
INDOOR
FIELD WIRING
3
3
3
2
2
2
1
1
1
PCB
OFF
X3M
X4M
X5M
2
3
2
2
3
3
1
1
1
3
4
2
1
TRANSMISSION
TRANSMISSION
TRANSMISSION
DS2
CIRCUIT
CIRCUIT
CIRCUIT
H2P
H3P
H4P
H5P
H1P
E1
LEDA
LED2
LED4
LED3
LED1
(
DLA
)
R1T
t°
(
DGA
)
R2T
3.15A
F2U
t°
(
DLB
)
R3T
t°
(
DGB
)
R4T
T201R
t°
(
DLC
)
R5T
t°
(
DGC
)
R6T
t°
(
WHT
)
X90A
12
1
(
WHT
)
(
YLW
)
(
RED
)
(
BLU
)
X22A
X23A
X20A
X21A
X6M
X1M
6
6
6
6
1
1
1
1
L2
F2
N2
L1
F1
N1
Y4E
Y3E
Y2E
Y1E
M
M
M
M
L1
N1
FOR TRANSMISSION
TO OUTDOOR
(
F1•F2
)
OR OTHER BP UNIT
ROOM C
ROOM B
ROOM A
BYPASS
TO OTHER BP UNIT
L
N
POWER SUPPLY
230V~50Hz
BLK
BLK
BLK
BLK
BLU
BLU
BLU
BLU
YLW
YLW
YLW
YLW
YLW
YLW
YLW
YLW
BLU
RED
RED
RED
BLU
BLU
RED
BLU
WHT
WHT
WHT
WHT
BRW
BRW
BRW
BRW
ORG
ORG
ORG
ORG
GRN/YLW
3D048566A
X20A~X23A
,
X90A
PCB
F2U
: CONNECTOR
: PRINTED CIRCUIT BOARD
: FUSE
H1P~H5P
R1T~R6T
DS2
: PILOT LAMP
: THERMISTOR
: DIP SWITCH
T201R
X1M
,
X3M~X6M
Y1E~Y4E
: TRANSFORMAR
: TERMINAL STRIP
: MOTOR OPERATED VALVE COIL

Table of Contents

Related product manuals