EasyManua.ls Logo

Dion-Ag F41 - Page 166

Default Icon
176 pages
Print Icon
To Next Page IconTo Next Page
To Next Page IconTo Next Page
To Previous Page IconTo Previous Page
To Previous Page IconTo Previous Page
Loading...
166
12 VOLTS BATTERY
CONTROL BOX IN CAB
+
TRANSMISSION
ROTATION-DEFLECTOR
ON/OFF SWITCH
ON/OFF SWITCH
25 AMP BREAKER
25 AMP BREAKER
GRAY
MANUAL CIRCUIT
DETECTOR CIRCUIT
WHITE
GRAY
GREEN
WHITE-GREEN
BROWN
WHITE-BROWN
BLACK
+
-
DETECTOR BOX
F41-20880W
F41-23771W
F41-20882W
F41-20880W
POWER TERMINALSENSOR TERMINAL
MOTOR
TRANSMISSION
SOLENOID
ANTEENNA
SENSOR
NEUTRAL
REVERSE
SENSOR
F41-28950M
F41-20883W
SENSOR
HEAD CUTTER
ROLLER
SENSOR
BUZZER
F41-23771W
QUICK STOP
+
-
UP-DOWN
BLUE
WHITE-BLUE
RED
WHITE-RED
M
DC
LC
B
SPOUT CONTROL BOX
ROLLERANTENNA
2
BLACK
+
WHITE
1
GROUND
--
3
NEUTRAL
SENSORSENSOR
CUTTER
SENSOR
+
BLACK
BLUE
4
-
5
++
BROWN
BLACK
67
+
BLUE
BROWN
-
89
+
BLACK
BLUE
10
-
11 15
+
REVERSE
SENSOR
13
++
BROWN
BLACK
12
BLEU
BROWN
14
-
12 VOLTS SUPPLY
WHITE
BLACK
WHITE
+
1
+
2
-
3
BUZZER-GRAY
BLACK
BL-VIOLET
VIOLET
SOLENOID
-
4
-
5
+-
67 11
ORANGE
TRANSMISSION CYLONDER
BROWN
BL-ORAN
BL-BROWN
(IN) (OUT)
+
8
-
9
+
10
-
-
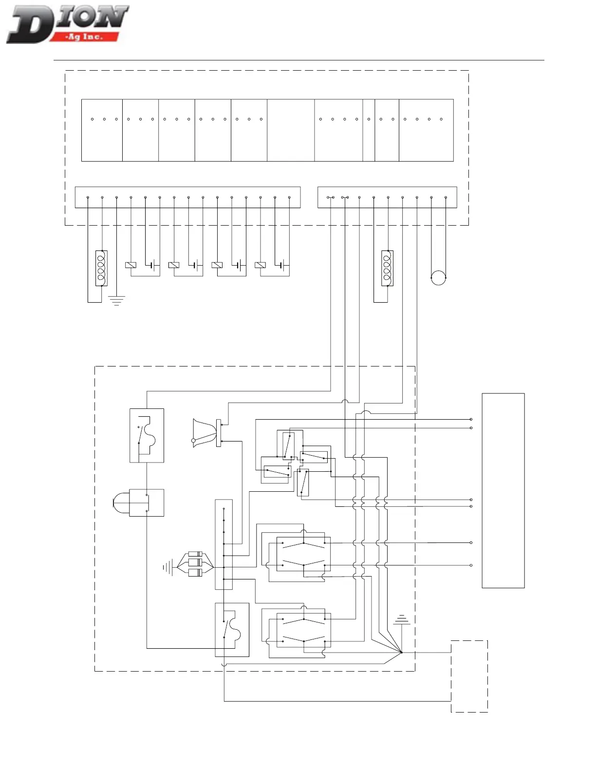
Figure 269 Electrical & electronic diagram for F41 Stinger model
ADJUSTMENTS - MAINTENANCE
Manual No. F4117E987E V1.1

Table of Contents