EasyManua.ls Logo

DOGA DPC TOUCH V2 - Automation Equipment Wiring Example

Default Icon
96 pages
Print Icon
To Next Page IconTo Next Page
To Next Page IconTo Next Page
To Previous Page IconTo Previous Page
To Previous Page IconTo Previous Page
Loading...
User manual DPC Touch V2 DOC.60352-11/20
86
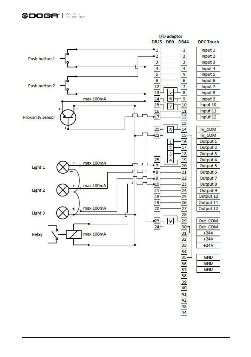
8.2.8. Automation equipment wiring example

Table of Contents

Related product manuals