EasyManua.ls Logo

Emerson DCX S - Chapter 7: Operation

Emerson DCX S
154 pages
Print Icon
To Next Page IconTo Next Page
To Next Page IconTo Next Page
To Previous Page IconTo Previous Page
To Previous Page IconTo Previous Page
Loading...
100-412-183 REV. 13 79
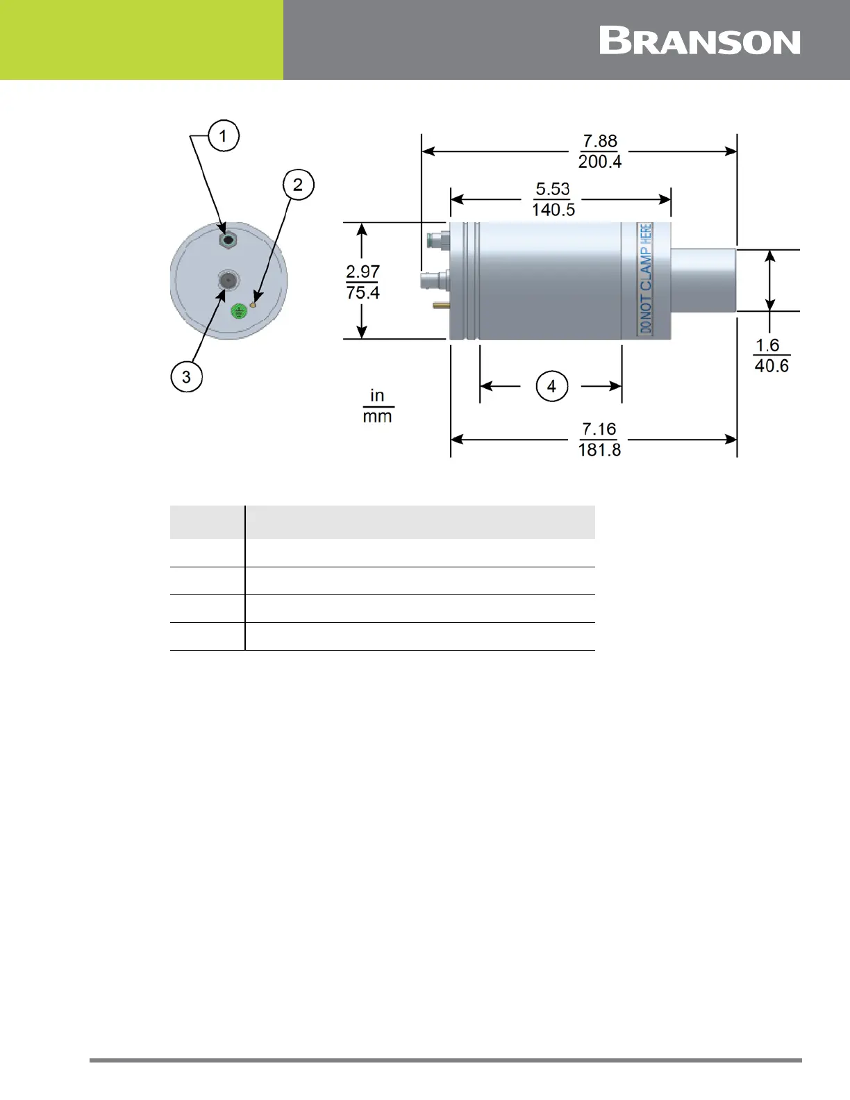
Figure 6.1 20 kHz CH-20S Converter Dimensions
Table 6.1 20 kHz CH-20S Converter Dimensions
Item Description
1 Air inlet
2 Ground stud
3 SHV connector
4 Grip area

Table of Contents

Related product manuals