EasyManua.ls Logo

Emerson Unidrive SPM - Page 175

Emerson Unidrive SPM
303 pages
Print Icon
To Next Page IconTo Next Page
To Next Page IconTo Next Page
To Previous Page IconTo Previous Page
To Previous Page IconTo Previous Page
Loading...
Safety
Information
Introduction
Product
Information
System
configuration
Mechanical
Installation
Electrical
Installation
Getting
Started
Basic
parameters
Running
the motor
Optimization
SMARTCARD
operation
Onboard
PLC
Advanced
parameters
Technical
Data
Diagnostics
UL Listing
Information
Unidrive SPM User Guide 175
Issue Number: 3 www.controltechniques.com
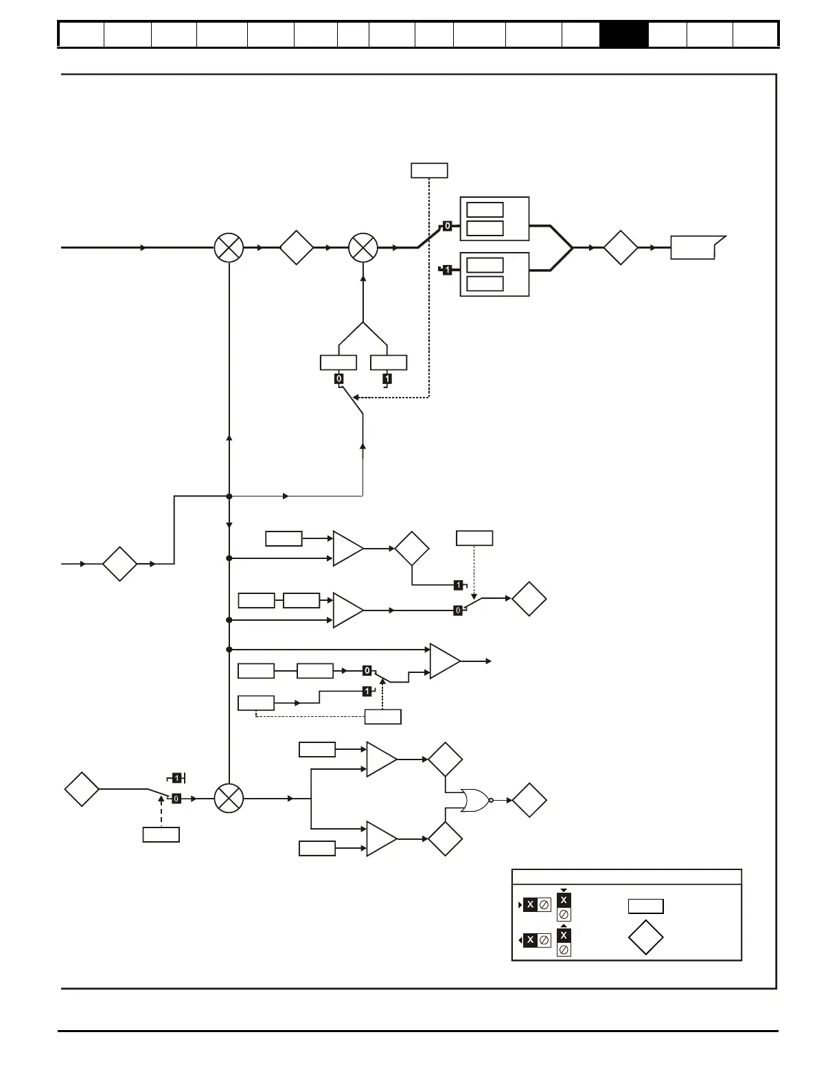
+
_
3.03
Speed
error
+
_
Speed loop gains
3.04
Speed
controller
output
Menu 4
+
_
Overspeed trip
(O.SPd)
1.06
Max reference clamp
+
_
3.06
10.05
Below at-speed
window indicator
At speed
lower limit
+
_
3.07
10.07
Above at-speed
window indicator
At speed
upper limit
10.06
At speed
indicator
NOR
+
_
3.05
10.03
At zero speed
indicator
Zero speed
threshold
+
_
1.07
10.04
At or below min.
speed indicator
Minimum
speed
1.10
Bipolar reference
select
+5min
-1
+20%
1.03
Pre ramp
reference
3.09
Absolute at-speed
detect mode
Speed controller
differential
feedback gains
0.XX
0.XX
Key
Read-write
(RW)
parameter
Read-only (RO)
parameter
Input
terminals
Output
terminals
The parameters are all shown at their default settings
3.08
Overspeed threshold
3.08
>0
Speed controller
gain select
3.10
3.11
(Ki1)
(Kp1)
3.13
3.14
(Ki2)
(Kp2)
3.16
Speed feedback
3.02
+
_
(Kd1)
(Kd2)
3.153.12

Table of Contents

Related product manuals