EasyManua.ls Logo

Emerson Unidrive SPM - Menu 13: Position Control; Figure 13-21 Menu 13 Open-Loop Logic Diagram

Emerson Unidrive SPM
303 pages
Print Icon
To Next Page IconTo Next Page
To Next Page IconTo Next Page
To Previous Page IconTo Previous Page
To Previous Page IconTo Previous Page
Loading...
Safety
Information
Introduction
Product
Information
System
configuration
Mechanical
Installation
Electrical
Installation
Getting
Started
Basic
parameters
Running
the motor
Optimization
SMARTCARD
operation
Onboard
PLC
Advanced
parameters
Technical
Data
Diagnostics
UL Listing
Information
206 Unidrive SPM User Guide
www.controltechniques.com Issue Number: 3
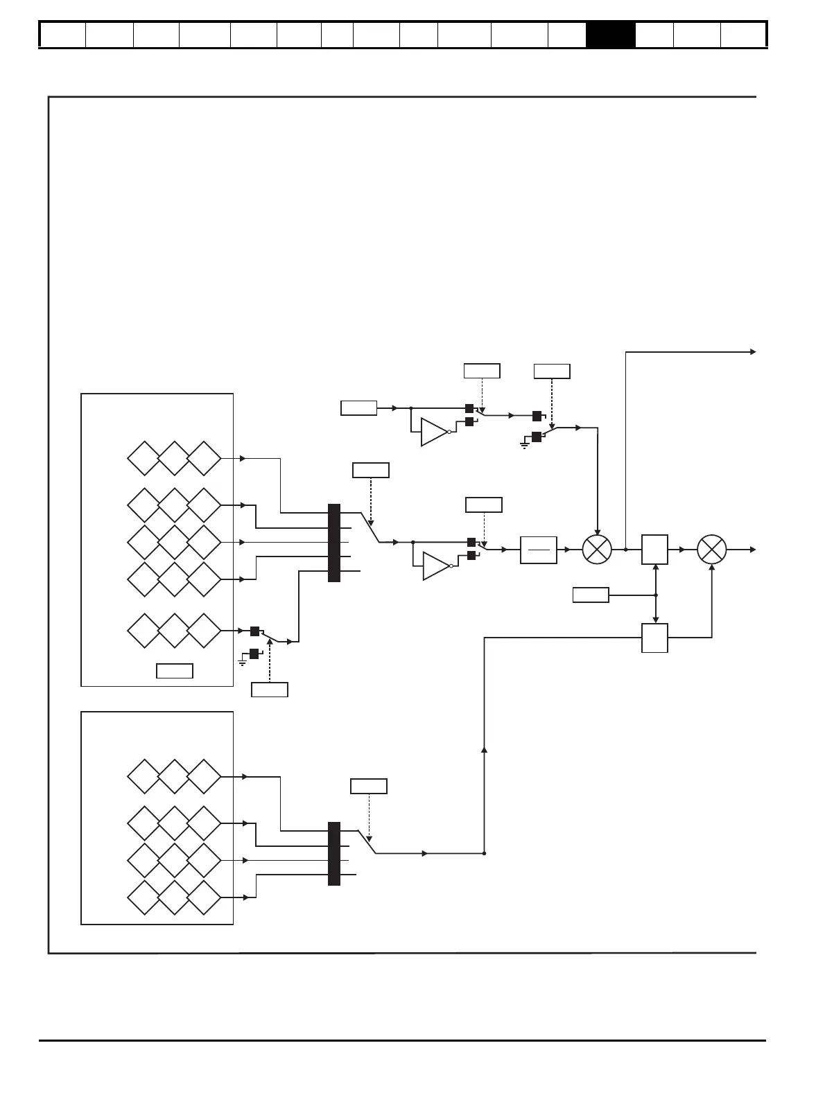
13.13 Menu 13: Position control
Figure 13-21 Menu 13 Open-loop logic diagram
3.28 3.29 3.30
Revolution
counter
Position
Position
fine
Drive
Encoder
15.04 15.05 15.06
Slot 1
16.04 16.05 16.06
Slot 2
17.04 17.05 17.06
Slot 3
13.20
13.21 13.22
Local
reference
1
0
13.23
Local
reference
disable
0
1
2
3
4
13.04
Position
controller
reference
source
x(-1)
0
1
13.06
Position
reference
invert
13.07
13.08
Ratio
+
+
0
1
x(-1)
0
1
13.19
Relative
jog reverse
13.18
Relative
jog enable
13.17
Relative
jog reference
ò
D Position
+
_
ò
13.16
Position
error reset
0
1
2
3
13.05
D Position
Position
controller
feedback
source
Position control reference position
3.28 3.29 3.30
Revolution
counter
Position
Position
fine
Drive
Encoder
15.04 15.05 15.06
Slot 1
16.04 16.05 16.06
Slot 2
17.04 17.05 17.06
Slot 3
Position control feedback position
13.24
Ignore local
reference turns
*For more information, refer to section 13.21.9 Position modes on page 261.

Table of Contents

Related product manuals