EasyManua.ls Logo

Epson G20 Series - Page 34

Epson G20 Series
252 pages
Print Icon
To Next Page IconTo Next Page
To Next Page IconTo Next Page
To Previous Page IconTo Previous Page
To Previous Page IconTo Previous Page
Loading...
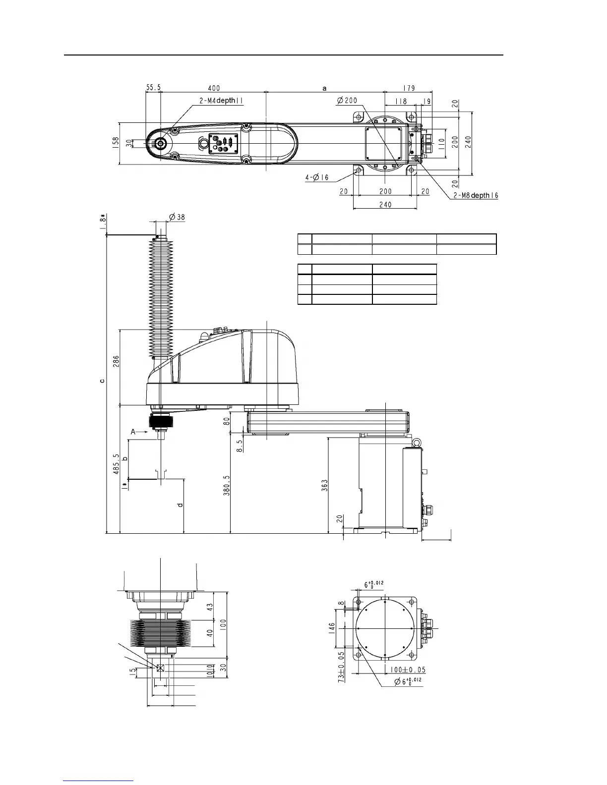
Setup & Operation 2. Specifications
22 G10 / G20 Rev.20
Conical hole
ø4,90°
1 mm flat cut
Max. ø18 through hole
ø
25 h7 shaft diameter
ø
39.5 mechanical stop diameter
Detail of “A
(Calibration point position of Joint #3 and #4)
* indicates the stroke margin by mechanical stop.
Reference through hole
(View from the bottom of the base)
G10-65*C
G10/G20-85*C
G20-A0*C
a
250
450
600
G10/G20-**1C
G10/G20-**4C
b
150
390
c
870.5
1129.5
d
205.5
34.5
(Mount eyebolt
at shipment)
90 or more
Space for cables
Root both side chamfer C0.5

Table of Contents

Related product manuals