EasyManua.ls Logo

Epson G20 Series - 3. Environments and Installation; 3.1 Environmental Conditions

Epson G20 Series
252 pages
Print Icon
To Next Page IconTo Next Page
To Next Page IconTo Next Page
To Previous Page IconTo Previous Page
To Previous Page IconTo Previous Page
Loading...
Setup & Operation 2. Specifications
30 G10 / G20 Rev.20
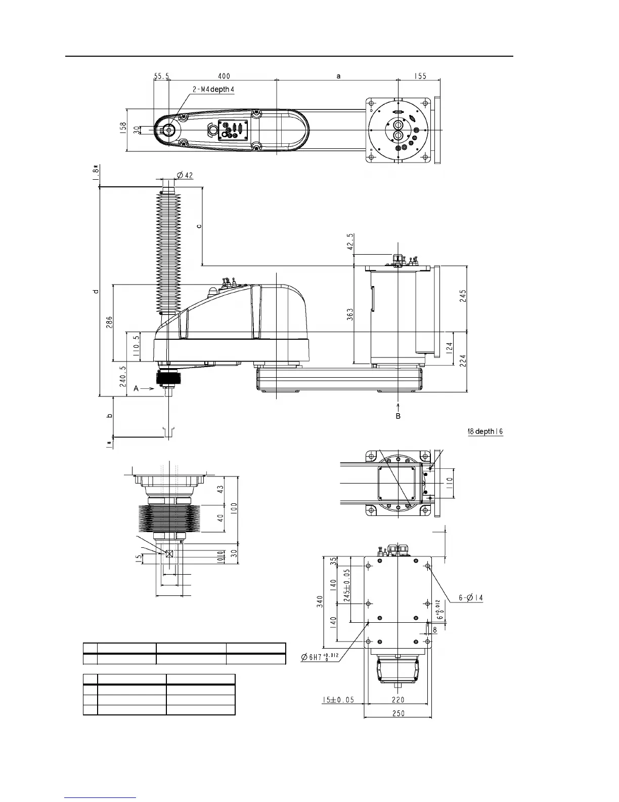
G10-65*PW
G10/G20-85*PW
G20-A0*PW
a
250
450
600
G10/G20-**1PW
G10/G20-**4PW
b
150
390
c
33
292
d
518.5
777.5
Reference hole
(Tolerance applies
to the pin hole)
Conical hole ø4,90°
1 mm flat cut
Max.ø18 through hole
ø25 h7 shaft diameter
90 or more
Space for cables
(*) indicates the stroke margin by mechanical stop.
Detail of “A”
(Calibration point position of Joints #3 and #4)
Reference through hole
(View from the bottom of the base)
ø39.5 mechanical stop diameter
Detail of “B”

Table of Contents

Related product manuals