EasyManua.ls Logo

Evector SportStar RTC - Page 108

Default Icon
354 pages
Print Icon
To Next Page IconTo Next Page
To Next Page IconTo Next Page
To Previous Page IconTo Previous Page
To Previous Page IconTo Previous Page
Loading...
ERTC022-10-AS
MAINTENANCE MANUAL
24-30
Page 24-14
2019-03-22
Effectivity: All
Edition 2 | Rev. 1
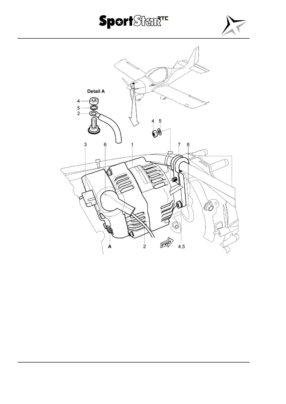
Legend to Fig. 24-5
1 Auxiliary generator 5 Washer
2 Cable 6 Rubber cover of contact
3 Regulator connector 7 Hose fastener
4 Nut 8 Propeller gearbox
Fig. 24-5 Auxiliary generator – removal / installation

Table of Contents

Related product manuals