EasyManua.ls Logo

Evector SportStar RTC - Page 215

Default Icon
354 pages
Print Icon
To Next Page IconTo Next Page
To Next Page IconTo Next Page
To Previous Page IconTo Previous Page
To Previous Page IconTo Previous Page
Loading...
MAINTENANCE MANUAL
ERTC022-10-AS
Effectivity: All
71-00
Page 71-9
2017-12-22
Edition 2 | Rev. 0
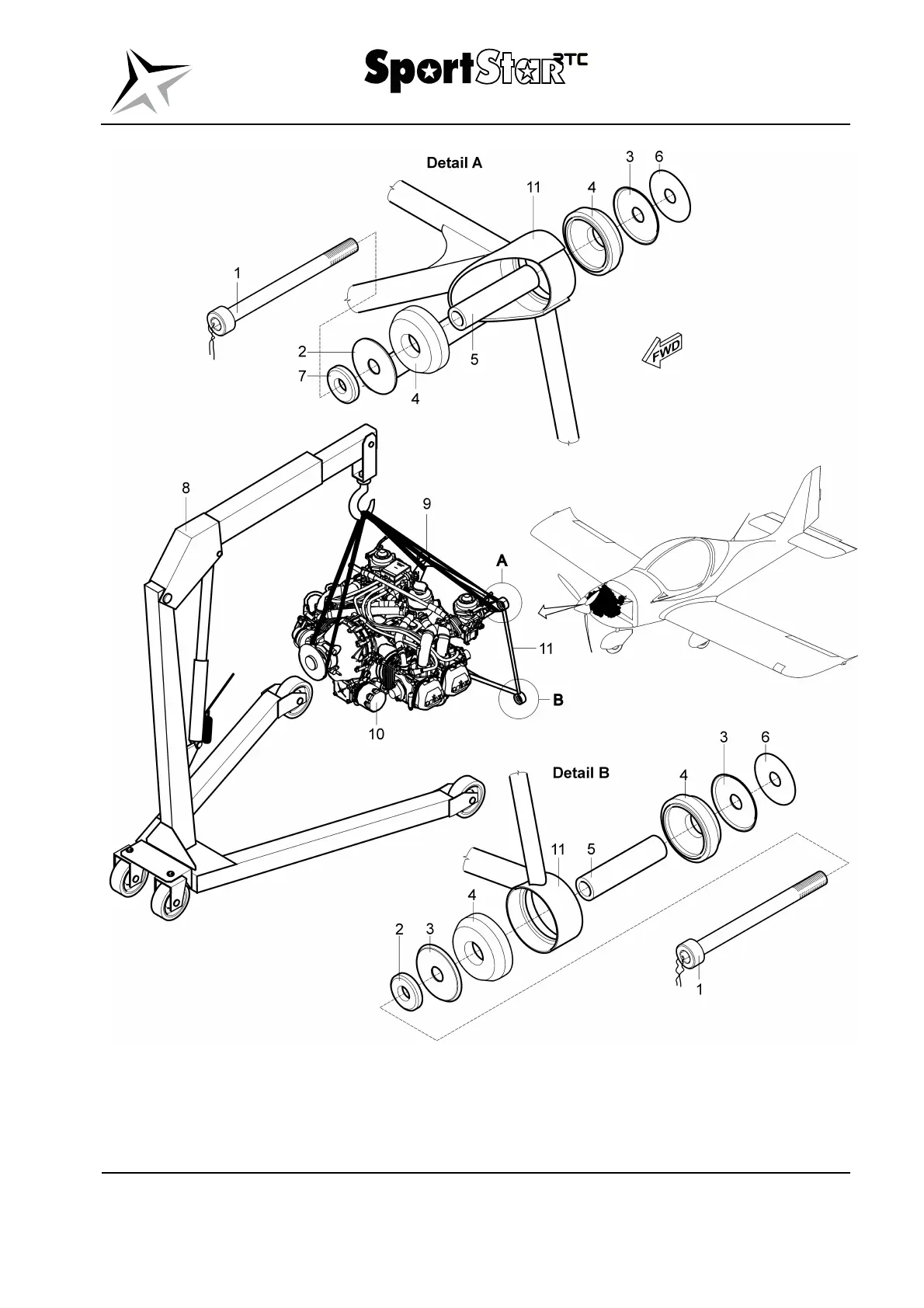
Fig. 711 Engine removal / installation (page 1 of 2)

Table of Contents

Related product manuals