EasyManua.ls Logo

Evector SportStar RTC - Page 98

Default Icon
354 pages
Print Icon
To Next Page IconTo Next Page
To Next Page IconTo Next Page
To Previous Page IconTo Previous Page
To Previous Page IconTo Previous Page
Loading...
ERTC022-10-AS
MAINTENANCE MANUAL
24-00
Page 24-4
2019-03-22
Effectivity: All
Edition 2 | Rev. 1
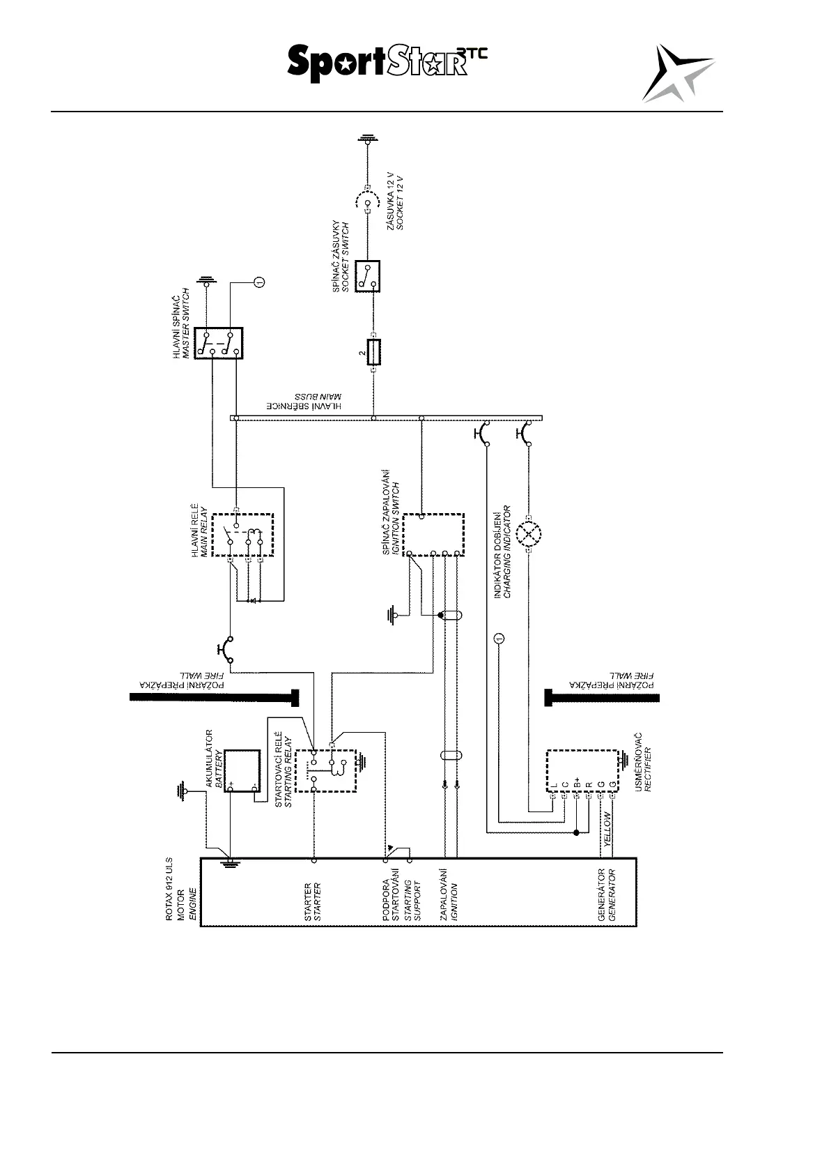
Fig. 24-1 Source system without auxiliary generator

Table of Contents

Related product manuals