EasyManua.ls Logo

Evector SportStar RTC - Page 99

Default Icon
354 pages
Print Icon
To Next Page IconTo Next Page
To Next Page IconTo Next Page
To Previous Page IconTo Previous Page
To Previous Page IconTo Previous Page
Loading...
MAINTENANCE MANUAL
ERTC022-10-AS
Effectivity: All
24-00
Page 24-5
2019-03-22
Edition 2 | Rev. 1
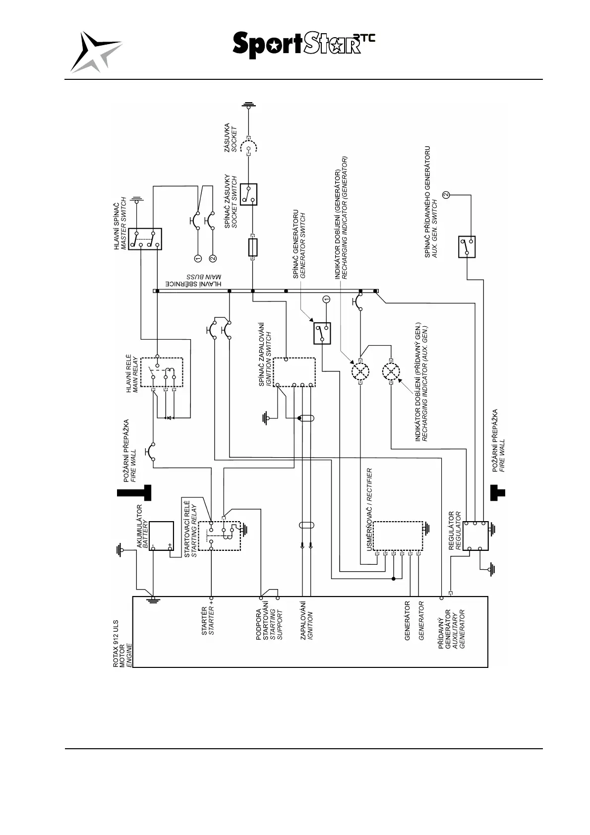
Fig. 24-2 Source system with auxiliary generator

Table of Contents

Related product manuals