EasyManua.ls Logo

Hisense AHS-080HCDSAA-23 - Listwa Zaciskowa 1 (Główne ŹróDło Zasilania); Podłączenie Do Listew Zaciskowych; Przewody Sygnalizacyjne Jednostek Wewnętrznej I Zewnętrznej

Hisense AHS-080HCDSAA-23
448 pages
Print Icon
To Next Page IconTo Next Page
To Next Page IconTo Next Page
To Previous Page IconTo Previous Page
To Previous Page IconTo Previous Page
Loading...
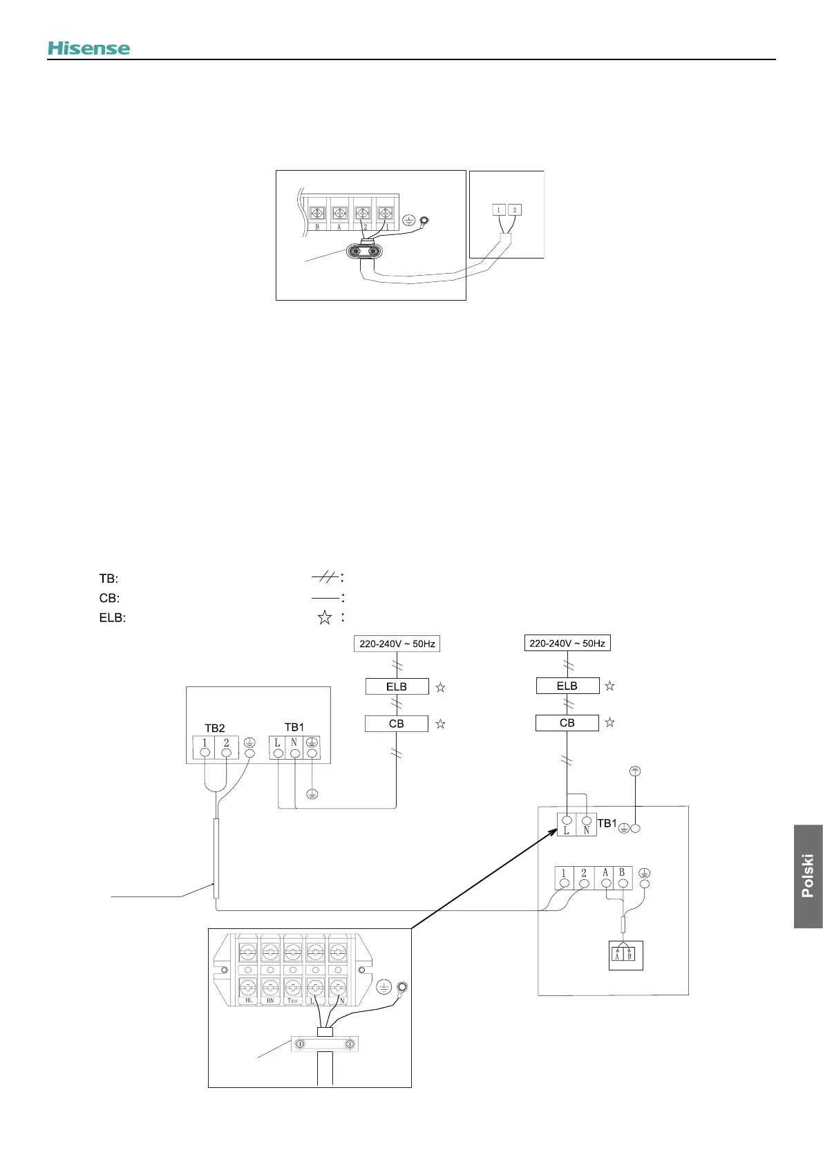
10.3 PODŁĄCZENIE DO LISTEW ZACISKOWYCH
10.3.1 Przewody sygnalizacyjne jednostek wewnętrznej i zewnętrznej
Do podłączenia przewodów sygnalizacyjnych przewidziano zaciski 1-2.
Warstwa ekranu powinna być uziemiona.
Jednostka 
wewnętrzna
Jednostka 
zewnętrzna
TB4 na PCB4
Zamocowane 
opaski
Kabel ekranowany
Wymagane jest zastosowanie między jednostką zewnętrzną i wewnętrzną skrętki kablowej (0,75 mm²). Powinna ona być
dwużyłowa (niedopuszczalne jest używanie kabli o więcej niż trzech żyłach).
W przypadku połączeń pośrednich stosujemy przewody ekranowane (na odcinku wynoszącym maksymalnie 300 m) w celu
ochrony klimatyzatorów przed ewentualnymi zakłóceniami elektrycznymi, przy czym ich przekrój powinien być zgodny z
obowiązującymi lokalnie przepisami.
Jeżeli przewody elektryczne nie są prowadzone w rurkach kablowych, należy zabezpieczyć przepusty przymocowanymi klejem
tulejami gumowymi.
! OSTROŻNIE
Należy upewnić się, że przewody sygnalizacyjne nie zostały przez pomyłkę podłączone do jakiejkolwiek części pod napięciem, która mogłaby
spowodować uszkodzenie płyty elektronicznej.
10.3.2 Listwa zaciskowa 1 (główne źródło zasilania)
Przewody głównego źródła zasilania podłączane są do listwy zaciskowej (TB1) w następujący sposób:
Do nabycia osobno (nie dołączone do jednostki wewnętrznej)
Sterownik główny
Zamocowane 
opaski
Kable sygnalizacyjne 
Skrętka dwużyłowa 
ekranowana 0,75 mm
2
x 2
Listwa zaciskowa
Jednostka zewnętrzna 
z pompą ciepła
Jednostka 
wewnętrzna 
z pompą 
ciepła
Przewód uziemienia
TB4 na PCB4
Przewód 
uziemienia
Kable sygnalizacyjne 
Przewód zasilający
Powietrzny wyłącznik automatyczny
Wyłącznik prądu upływowego
! OSTROŻNIE
Podłączamy żyły przewodu zasilającego i uziemienia razem z
całością okablowania.
Należy sprawdzić przewody pozostające pod napięciem i neutralne
na listwach zasilania, upewniając się przy tym, że są one prawidło-
wo podłączone. W przeciwnym razie, niektóre części mogą ulec
uszkodzeniu.
USTAWIENIA URZĄDZEŃ ELEKTRYCZNYCH I STERUJĄCYCH
27

Table of Contents

Related product manuals