EasyManua.ls Logo

HP Integrity rx2660 - Cooling; Data Center Server Cooling; Office Friendly Server Cooling; Memory Block Diagram

HP Integrity rx2660
249 pages
Print Icon
To Next Page IconTo Next Page
To Next Page IconTo Next Page
To Previous Page IconTo Previous Page
To Previous Page IconTo Previous Page
Loading...
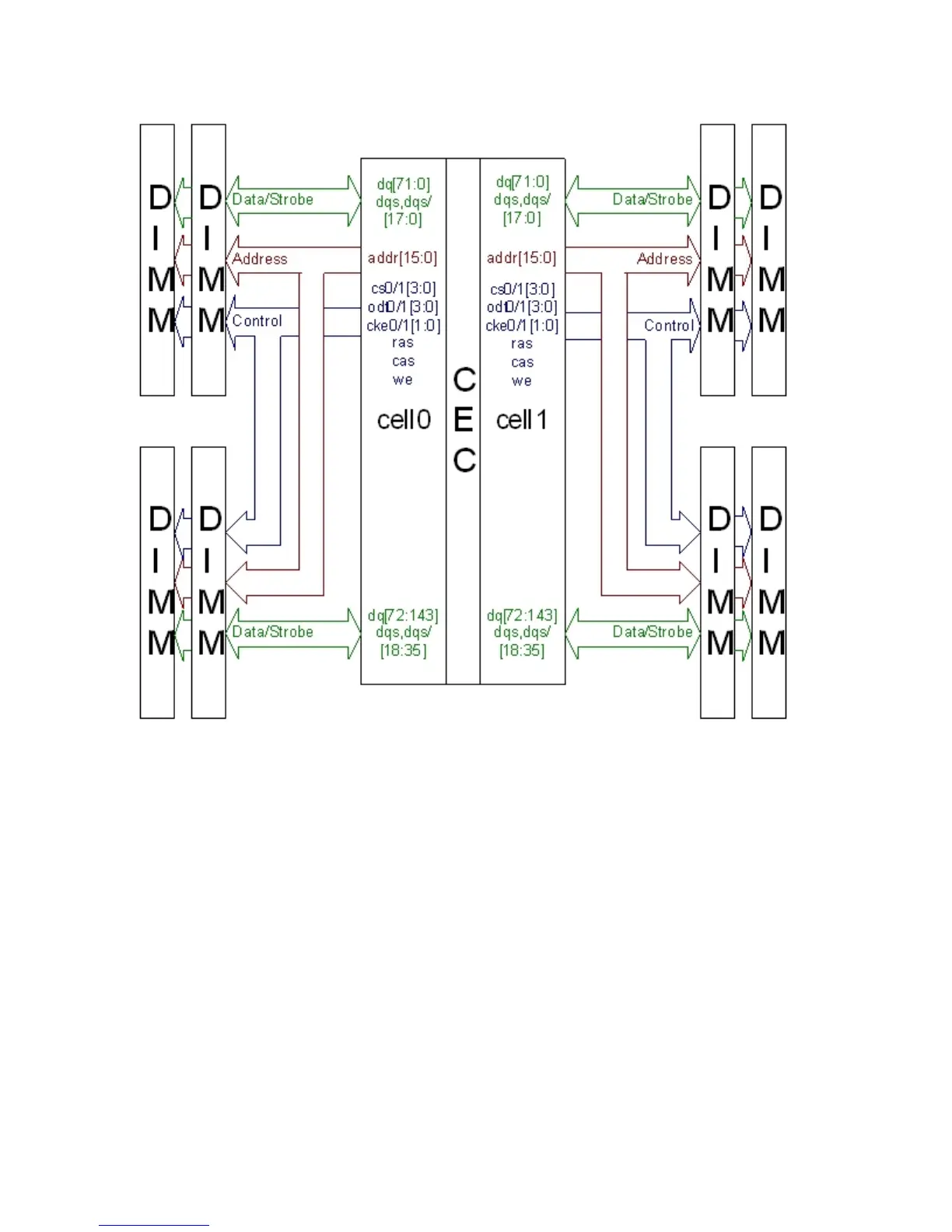
Figure 1-3 Memory Block Diagram
Cooling
Data Center Server Cooling
Twelve fans cool the Data Center server. The fans are all redundant, hot-swappable, and
interchangeable. Eight fans cool the eight DIMMs and two processors. Four fans cool the hard-disk
drives and the PCI riser board. The fans cool three zones in the server. Fans 1 through 4 cool
Zone 1, fans 5 through 8 cool Zone 2, and fans 9 through 12 cool Zone 3. Each zone can run with
one fan failure. The other fans in the zone increase speed to compensate for the fan failure. The
fans are N+1 per zone, meaning that the server has 12 fans, but can operate with 9 fans running
(one fan failure per zone). See Figure 6-7 (page 149) for the Data Center fan locations and cooling
zones.
The power supplies have built-in fans and are not controlled by the Baseboard Management
Controller (BMC).
Office Friendly Server Cooling
Six fans cool the Office Friendly server. The server fans have two rotors per fan. Four fans cool
the eight DIMMs and two processors. Two fans cool the hard-disk drives and the PCI riser board.
The fans cool three zones in the server. Fans 1 and 2 cool Zone 1, fans 3 and 4 cool Zone 2, and
fans 5 and 6 cool Zone 3. In the Office Friendly configuration, there is N+1 redundancy in Zone
1 and Zone 3 when one fan rotor fails. If a fan rotor fails in Zone 2, the server performs a soft
24 Overview

Table of Contents

Other manuals for HP Integrity rx2660

Related product manuals