EasyManua.ls Logo

KAESER M100 - Fig. 65 Draining the Oil from the Heat Exchanger

KAESER M100
384 pages
Print Icon
To Next Page IconTo Next Page
To Next Page IconTo Next Page
To Previous Page IconTo Previous Page
To Previous Page IconTo Previous Page
Loading...
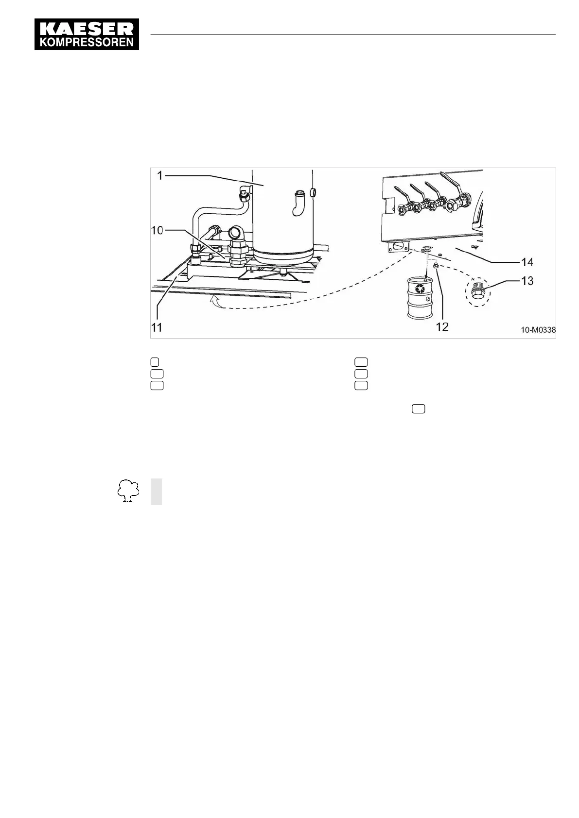
Draining the oil from the heat exchanger:
The heat exchanger can be drained by a separate oil drain plug at the heat exchanger (accessible
from underneath through the access hole in the floor pan).
Fig. 65 Draining the oil from the heat exchanger
1 Oil separator tank
10 Heat exchanger
11 Floor pan
12 Heat exchanger drain plug
13 Gasket
14 Underside of floor pan
1. Position the receptacle below the heat exchanger drain plug 12 .
2.
Unscrew the drain plug and allow the cooling oil to drain into the receptacle.
3. Fit a new gasket on the drain plug and screw it back in again.
4. Replace the plug in the oil separator tank filling port.
5. Close the door.
Dispose of used oil and oil-contaminated working materials according to environmental pro‐
tection regulations.
10.4.3.2 Option oe, rw, rx
Draining the cooling oil (closed floor pan - stationary machine):
Compressor cooling oil and engine coolant drain lines are led to a central point outside the ma‐
chine on stationary machines and machines with closed floor pan. The cooling oil is drained via
pipes which are screwed into the drain openings of the oil separator tank and the airend and are
closed with a shut-off valve. The pipes are sealed with a screwed sealing plug at the drain end.
10 Maintenance
10.4 Compressor Maintenance
No.: 9_6999 23 USE
Operator Manual Screw Compressor
M100
135
Option db
Option db

Table of Contents