EasyManua.ls Logo

KAESER M100 - Low Temperature Equipment Options; Fig. 12 Coolant Pre-Heating

KAESER M100
384 pages
Print Icon
To Next Page IconTo Next Page
To Next Page IconTo Next Page
To Previous Page IconTo Previous Page
To Previous Page IconTo Previous Page
Loading...
Points to be observed with separate compressed air lines:
Lubrication with tool oil.
Air tools that must not be lubricated can be damaged.
Blow any residual oil out of the line before connecting such an air tool.
4.7.2 Option ba
Low temperature equipment options
Special equipment is provided for operation in extremely low temperatures.
This equipment guarantees machine operation at temperatures from -13°F to 122°F .
The electrical system enables trouble-free engine starting at ambient temperatures down to -4°F.
4.7.2.1 Option bb
Coolant pre-heating
The engine coolant can be pre-heated to improve starting under cold conditions.
The power supply to the coolant pre-heater takes place via a separate network connector. A flexi‐
ble power cable (supplied) connects the machine's power plug to the user's power socket.
The coolant pre-heater works according to the principle of self-circulation.
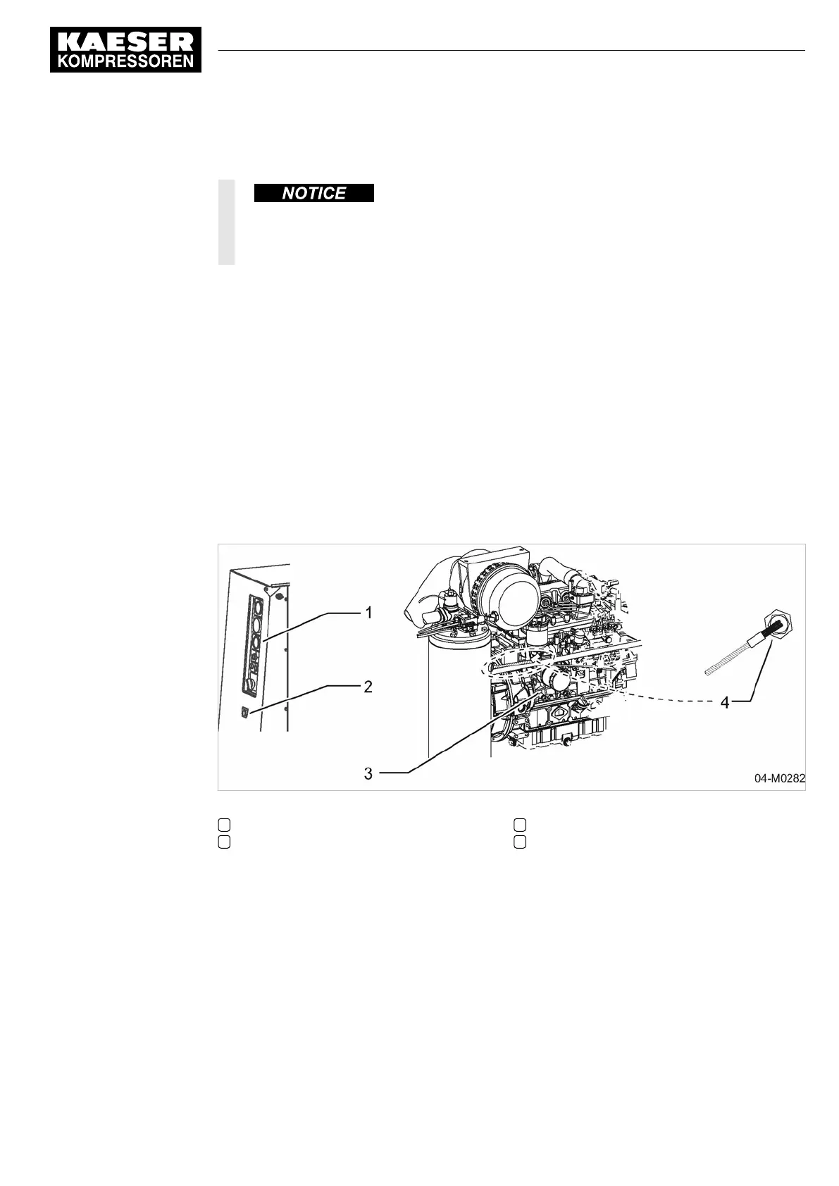
Fig. 12 Coolant pre-heating
1 Operating panel
2 Connection for the coolant pre-heater
3 Engine block
4 Coolant pre-heating
The ideal coolant pre-heating period is 2-3 hours before the machine is started. A pre-heating peri‐
od of more than 3 hours is not necessary, as the maximum effect has already been achieved within
this period (thermal balance).
Continuous operation of maximum 6 hours must be followed by a rest of approximately 3 hours.
4.7.2.2 Option bc
Frost protection
Control air is mixed with an alcohol-based antifreeze to prevent control and regulating devices
freezing. This considerably lowers the freezing point of any moisture in the air.
4 Design and Function
4.7 Options
No.: 9_6999 23 USE
Operator Manual Screw Compressor
M100
51
Option fc

Table of Contents