EasyManua.ls Logo

KAESER M100 - Shutting down the Machine; Fig. 40 Proportional Controller

KAESER M100
384 pages
Print Icon
To Next Page IconTo Next Page
To Next Page IconTo Next Page
To Previous Page IconTo Previous Page
To Previous Page IconTo Previous Page
Loading...
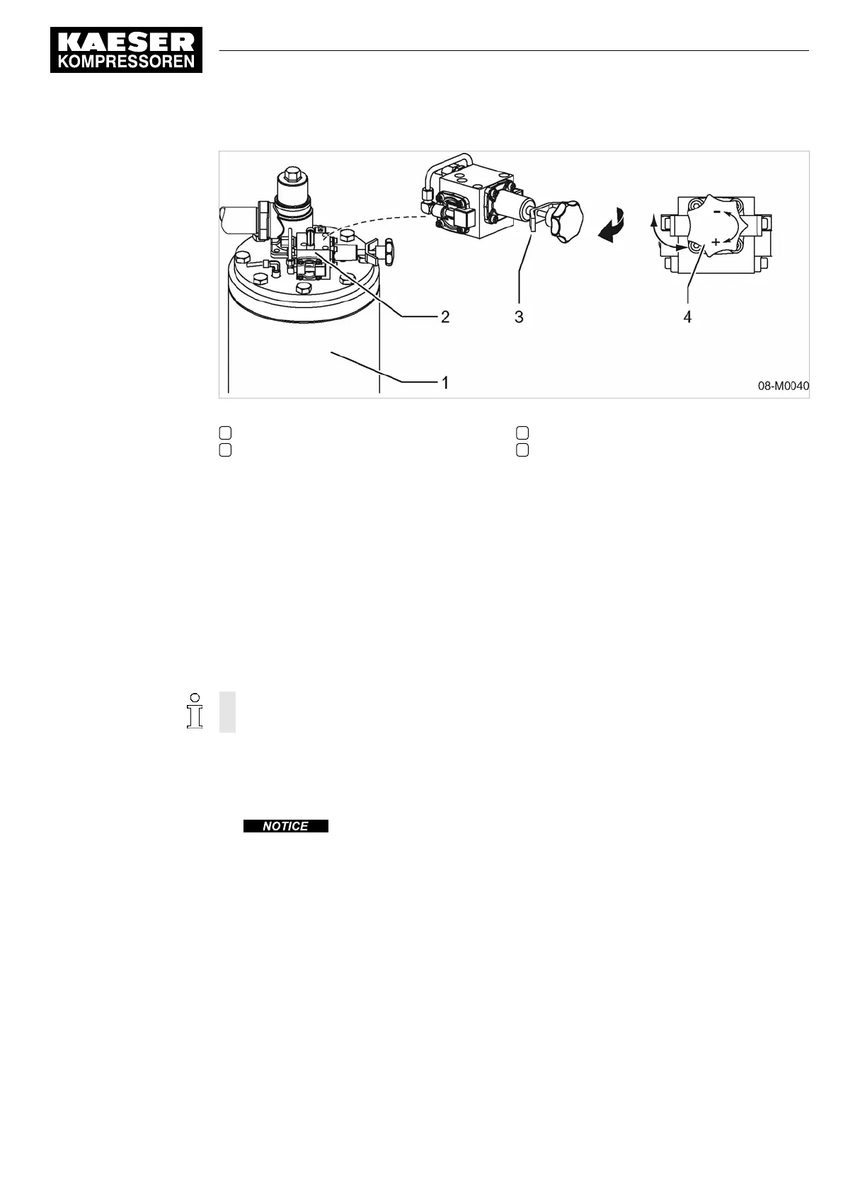
Fig. 40 Proportional controller
1 Oil separator tank
2 Proportional controller
3 Adjusting knob lock
4 «Pressure setting» knob
1. Open the right-hand access door.
2. Unlock the «pressure setting» knob by turning counter-clockwise.
3. Set the required pressure with the «pressure adjusting» knob.
Turn the know to the right side in order to increase the discharge pressure.
Turn the know to the left side in order to decrease the discharge pressure.
4. Tighten the adjustment knob lock.
5. Close the door.
6. Start the machine and switch to LOAD mode.
7. Open the «compressed air outlet valve» on the air distributor slightly.
8. Check the pressure set on the instrument panel gauge.
If the indicated pressure is not the discharge pressure required, the machine should be shut
down and the setting procedure repeated.
8.2.7 Shutting down the machine
Operating the machine in the cool-down phase
1.
Thermal overload of the turbocharger!
Abrupt stopping of the engine under load can cause a fault or damage to the turbo charger.
Run the engine a few minutes in idle before shutting down to allow the turbocharger to
cool.
2. Close all «compressed air outlet valves» on the air distributor.
The engine runs in IDLE and the turbo charger can cool down.
3. After approx. 2 to 3 minutes, switch the «starter switch» to the "STOP/Off" position.
The engine turns off.
Shutting down the machine:
1. Open the right-hand access door.
8 Operation
8.2 Starting and stopping
No.: 9_6999 23 USE
Operator Manual Screw Compressor
M100
85

Table of Contents

Related product manuals