EasyManua.ls Logo

KAESER M100 - Adjusting the Chassis; Fig. 26 Fitting the Jockey Wheel of the Non-Adjustable Tow Bar

KAESER M100
384 pages
Print Icon
To Next Page IconTo Next Page
To Next Page IconTo Next Page
To Previous Page IconTo Previous Page
To Previous Page IconTo Previous Page
Loading...
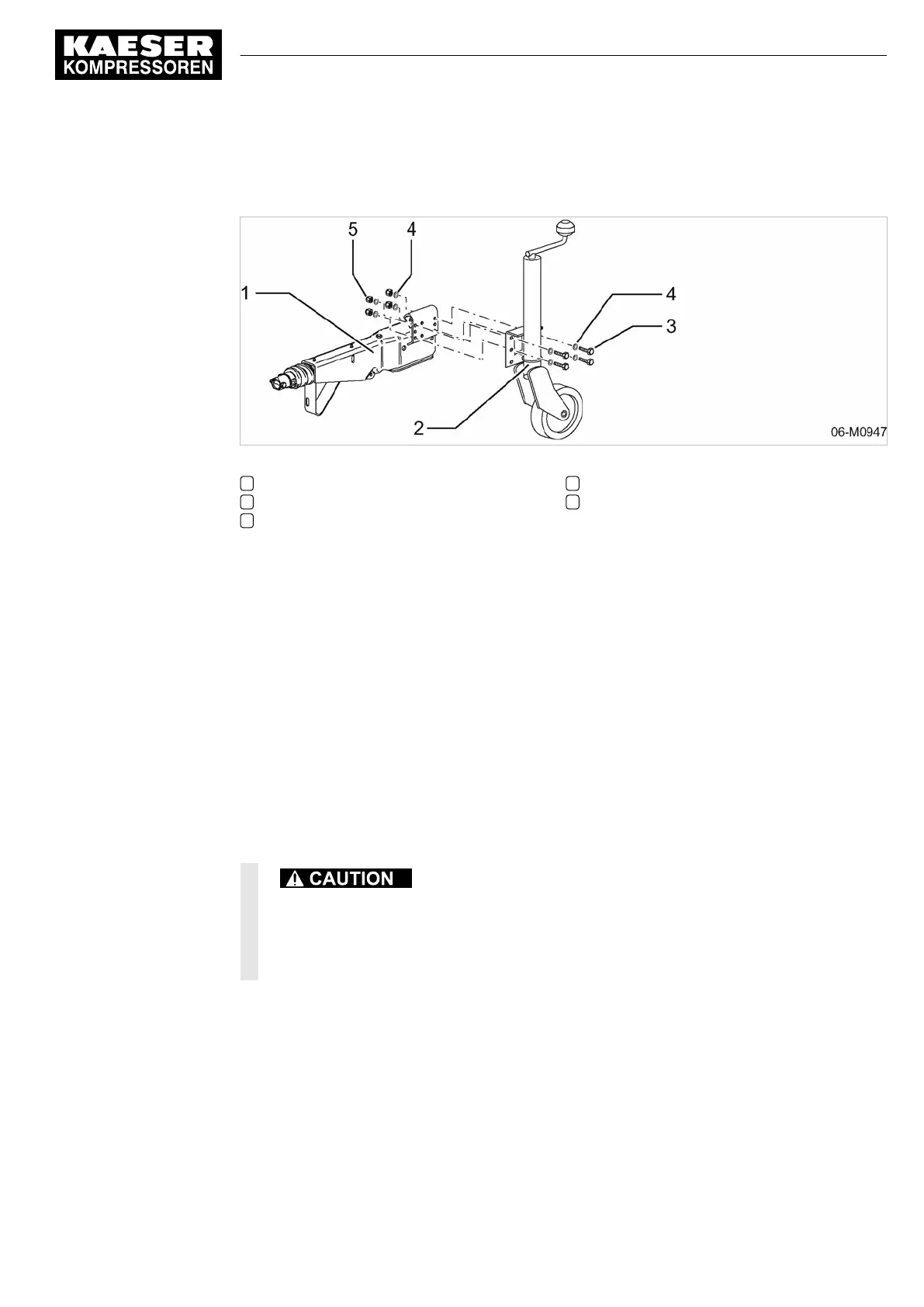
Fitting the jockey wheel of the non-adjustable tow bar:
Fig. 26 Fitting the jockey wheel of the non-adjustable tow bar
1 Overrun braking mechanism
2 Jockey wheel
3 Fastening screw
4 Washer
5 Hexagon nut (self locking)
1. Place a U-washer on each securing screw and insert each of these into the top four securing
holes on the jockey wheel mounting plate.
2.
Raise the overrun braking mechanism and position such that the securing holes of the jockey
wheel mounting plate and the overrun braking mechanism coincide.
3. Push through the securing screws and push on the U-washers.
4. Secure the bolts with self-locking nuts.
6.4 Adjusting the chassis
Material Pliers
Hard rubber hammer
Precondition The machine is shut down.
The machine is disconnected from the towing vehicle and safely parked.
Danger of pinching!
Severe injury to fingers is possible if they become trapped in the adjusting mechanism.
Always wear protective gloves.
Work carefully.
6 Installation
6.4 Adjusting the chassis
No.: 9_6999 23 USE
Operator Manual Screw Compressor
M100
67
Option rc/ro/rs, rd/ro/rs

Table of Contents