EasyManua.ls Logo

KAESER M100 - Fig. 6 Machine Layout

KAESER M100
384 pages
Print Icon
To Next Page IconTo Next Page
To Next Page IconTo Next Page
To Previous Page IconTo Previous Page
To Previous Page IconTo Previous Page
Loading...
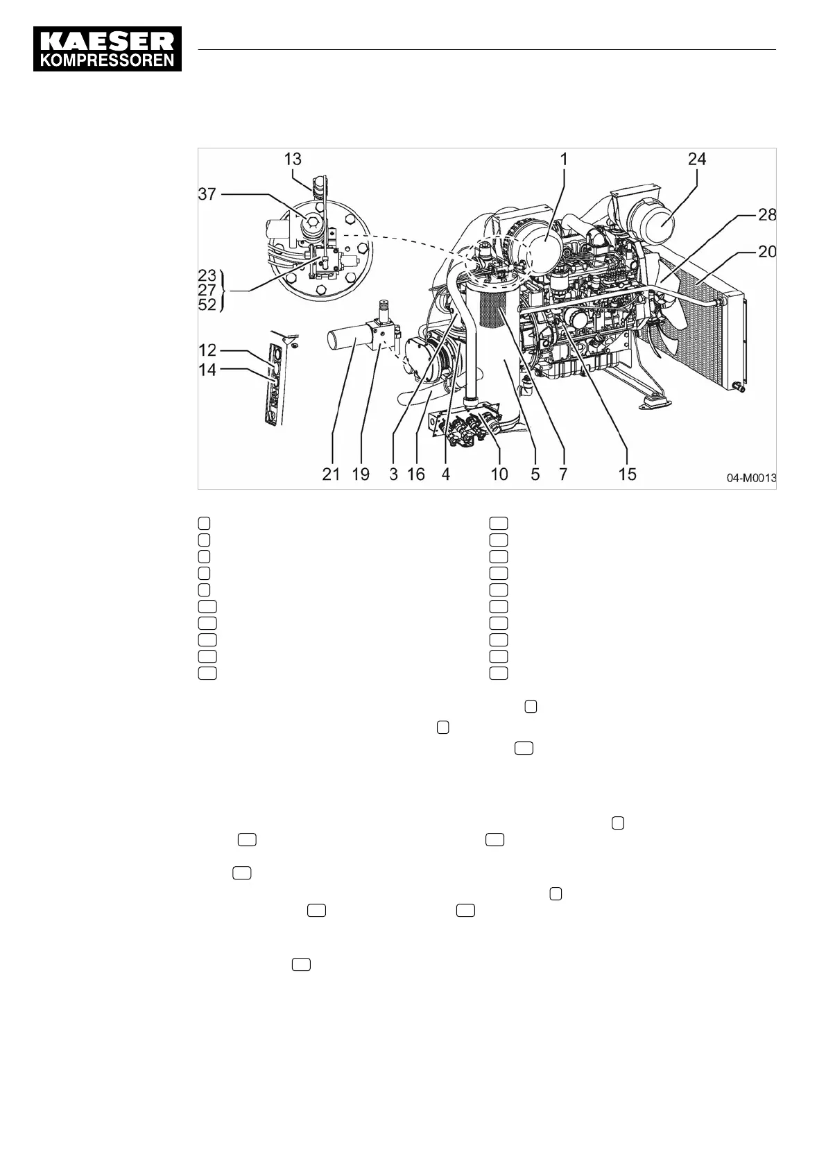
Fig. 6 Machine layout
1 Compressor air filter
3 Inlet valve
4 Airend
5 Oil separator tank
7 Oil separator cartridge
10 Compressed air distributor
12 Temperature gauge switch
13 Pressure relief valve
14 Pressure gauge
15 Drive engine
16 Oil return line
19 Combination valve (thermostatic valve)
20 Oil cooler
21 Oil filter
23 Proportional controller
24 Engine air filter
27 Venting valve
28 Fan
37 Minimum pressure/check valve
52 Control valve
Ambient air is cleaned as it is drawn in through the filter 1 .
The air is then compressed in the airend 4 .
The airend is driven by an internal combustion engine 15 .
Cooling oil is injected into the airend. It lubricates moving parts and forms a seal between the ro‐
tors themselves and between them and the airend casing. This direct cooling in the compression
chamber ensures a very low airend discharge temperature.
Cooling oil recovered from the compressed air in the oil separator tank 5 gives up its heat in the oil
cooler 20 . The oil then flows through the oil filter 21 and back to the point of injection. Pressure
within the machine keeps the oil circulating. A separate pump is not necessary. A thermostatic
valve 19 automatically maintains optimum cooling oil temperature.
Compressed air, freed of cooling oil in the oil separator tank 5 , flows through the minimum pres‐
sure / check valve 37 into the air distributor 10 . The minimum pressure / check valve ensures that
there is always a minimum internal pressure sufficient to maintain cooling oil circulation in the ma‐
chine.
The cooling fan 28 ensures optimum cooling of all components within the enclosure.
4 Design and Function
4.3 Machine function
44
Operator Manual Screw Compressor
M100 No.: 9_6999 23 USE

Table of Contents

Related product manuals