EasyManua.ls Logo

Kingspan EasyConnect+ - 8 Elektrische Anschlüsse; Anschluss Netz 230 V AC; Anschluss Antriebe 24 V DC

Kingspan EasyConnect+
Print Icon
To Next Page IconTo Next Page
To Next Page IconTo Next Page
To Previous Page IconTo Previous Page
To Previous Page IconTo Previous Page
Loading...
14
01/13424999386
EasyConnect+
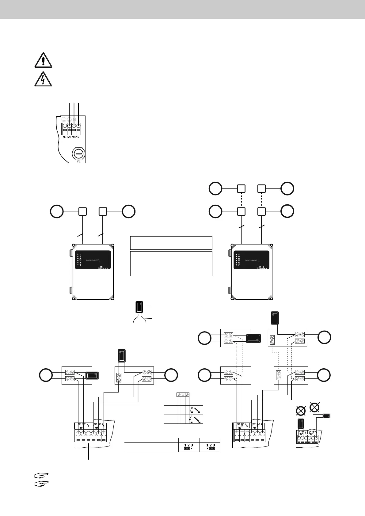
8 Elektrische Anschlüsse
8.1 Anschluss Netz 230 V AC
Achtung! Vor Arbeiten an der Anlage ist die Netzspannung allpolig freizuschalten und gegen
unbeabsichtigtes Widereinschalten zu sichern.
Vorsicht! Unsachgemäßes Arbeiten an spannungsführenden Bauteilen kann zu einem Stromschlag
führen! Der elektrische Anschluss muss durch ausgewiesenes Elektrofachpersonal durchgeführt werden.
8.2 Anschluss Antriebe 24 V DC
L = Phase
N = Neutralleiter
PE = Schutzleiter
PE N L





=
M
=
M
Reset
ON
12345678
ON
12345678910
ON
12345678
Reset

24 V DC
24 V DC
1 2 3
-
-
+
+
-
-
+
+



EasyConnect+
EasyConnect+
Imax = 20 A für beide
Antriebslinien 1 + 2 zusammen
bei 30 % ED (Einschaltdauer)
Imax.= 16 A pro Antriebslinie
bei 30 % ED (Einschaltdauer)
Abzweigdose
Antriebsausgang 1, 2
24 V DC
grüne LED
weiße
Anschlüsse
24 V DC
24 V DC 24 V DC
2
2
3
3
Antriebslinie 2
Jumperstellung
Leitungsüberwachung
Antriebslinie 1
Antriebs-
ausgang 1
Antriebs-
ausgang 2
Aktives Motor-
endmodul
2-Draht Leitungs-
überwachung
2-Draht Leitungs-
überwachung
2-Draht 3-Draht
3-Draht Leitungs-
überwachung
3-Draht Leitungs-
überwachung
Siehe Jumper 25/26, Seite 9,
Übersicht Grundplatine
Hinweis: Bei der Funktion "Antriebsausgang immer an" keine Leitungsüberwachung der Antriebslinien.
Hinweis: Die ISO 21927-9 ist nicht bei einer Leitungsüberwachung in 3-Draht Leitungsüberwachung erfüllt.

Table of Contents

Related product manuals