EasyManua.ls Logo

Kingspan EasyConnect+ - Electrical Connections Overview

Kingspan EasyConnect+
Print Icon
To Next Page IconTo Next Page
To Next Page IconTo Next Page
To Previous Page IconTo Previous Page
To Previous Page IconTo Previous Page
Loading...
58
01/13424999386





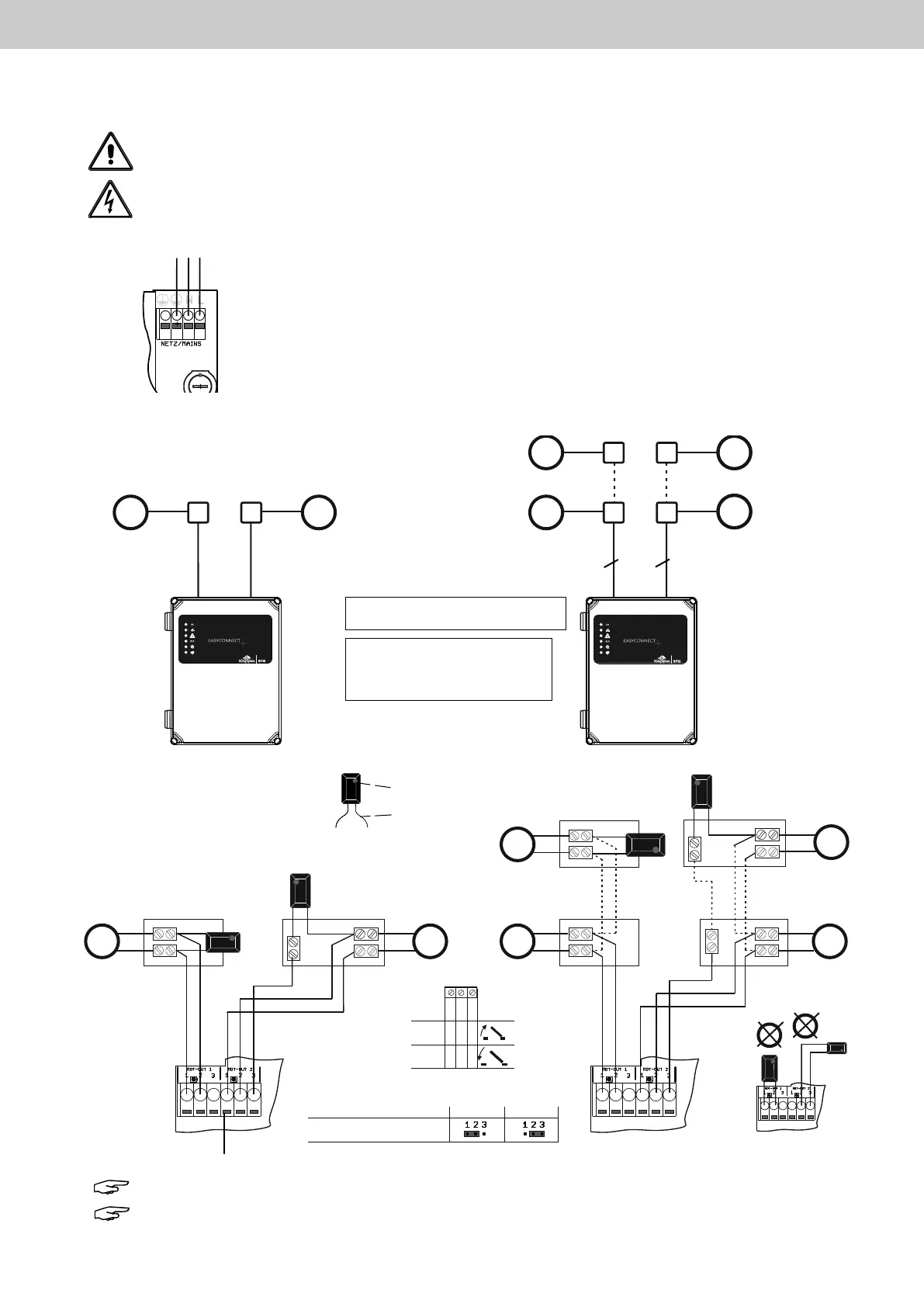
Note: No line monitoring of the drive lines with the function “Drive output always on”.
8 Electrical connections
8.1 Connection to 230 V AC mains
Attention!Beforestartingworkonthesystem,switchothemainspowerandsecure
to prevent inadvertent restarting.
Caution! Careless handling of energised components may result in electric shock!
Theelectricalconnectionmustbemadebyaqualiedelectrician.
8.2 Connection to 24 V DC drives
L = Phase
N = Neutral conductor
PE = PE conductor
PE N L
=
M
=
M
Reset
ON
12345678
ON
123456789 10
ON
12345678
Reset

24 V DC
24 V DC
1 2 3
-
-
+
+
-
-
+
+



EasyConnect+ EasyConnect+
Junction box
24 V DC
green LED
white
connections
24 V DC
24 V DC
24 V DC
2
3
Jumper position
line monitoring
Active motor
end module
2-wire line
monitoring
2-wire line
monitoring
3-wire line
monitoring
3-wire line
monitoring
Drive line 2
Drive line 1
Imax = 20 A for both
drive lines 1 + 2 together
at 30% CDF (cyclic duration
factor)
Imax.= 16 A per drive line at 30%
CDF (cyclic duration factor)
Drive
output 2
Drive
output 1
Drive output 1, 2
See Jumper 25/26, page 54,
overview Motherboard
2-wire 3-wire
EasyConnect+
Note:ISO21927-9isnotfullledforlinemonitoringin3-wireline

Table of Contents

Related product manuals