EasyManua.ls Logo

Kohler 14RESA

Kohler 14RESA
440 pages
To Next Page IconTo Next Page
To Next Page IconTo Next Page
To Previous Page IconTo Previous Page
To Previous Page IconTo Previous Page
Loading...
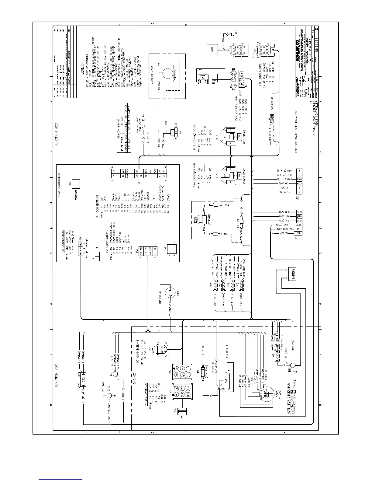
TP-6803--FR 1/1554 Section 2 Plans et schémas
-
Figure 2-11 Schéma de câblage conventionnel, GM93298, feuille 2 de 3

Table of Contents

Other manuals for Kohler 14RESA

Related product manuals