EasyManua.ls Logo

Kohler 14RESA

Kohler 14RESA
440 pages
To Next Page IconTo Next Page
To Next Page IconTo Next Page
To Previous Page IconTo Previous Page
To Previous Page IconTo Previous Page
Loading...
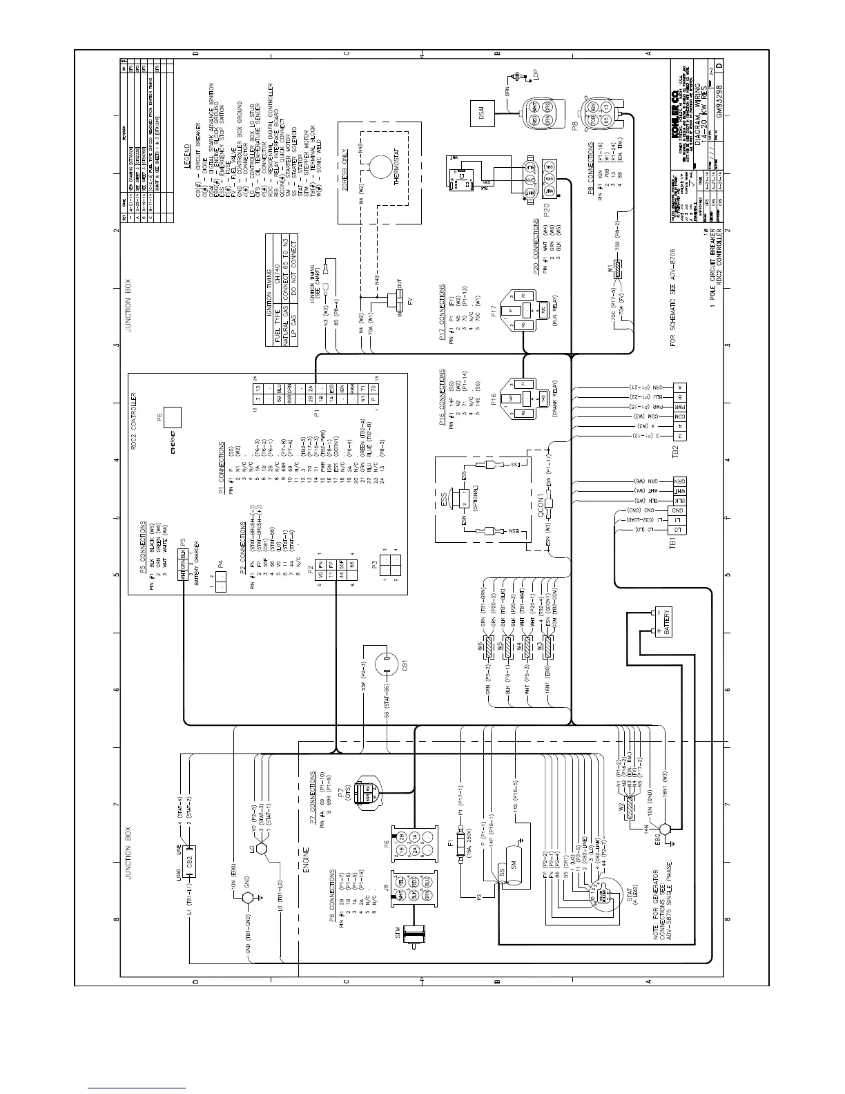
TP-6803--ES 1/15 55Sección 2 Diagramas y planos
-
Figura 2-11 Diagrama de cableado punto a punto, GM93298, hoja 2 de 3

Table of Contents

Other manuals for Kohler 14RESA

Related product manuals