EasyManua.ls Logo

Linde H50D - Basic Equipment for Diesel with Pump Injection Engine - Sheet 03

Linde H50D
310 pages
Print Icon
To Next Page IconTo Next Page
To Next Page IconTo Next Page
To Previous Page IconTo Previous Page
To Previous Page IconTo Previous Page
Loading...
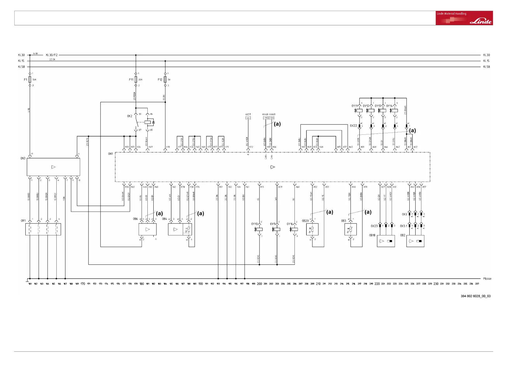
7 Circuit diagrams
Wiring diagram
Basic equipment for diesel with pump injection engine sheet 03
268 Operating Instructions 394 807 10 01 EN 07/2011

Table of Contents

Related product manuals