EasyManua.ls Logo

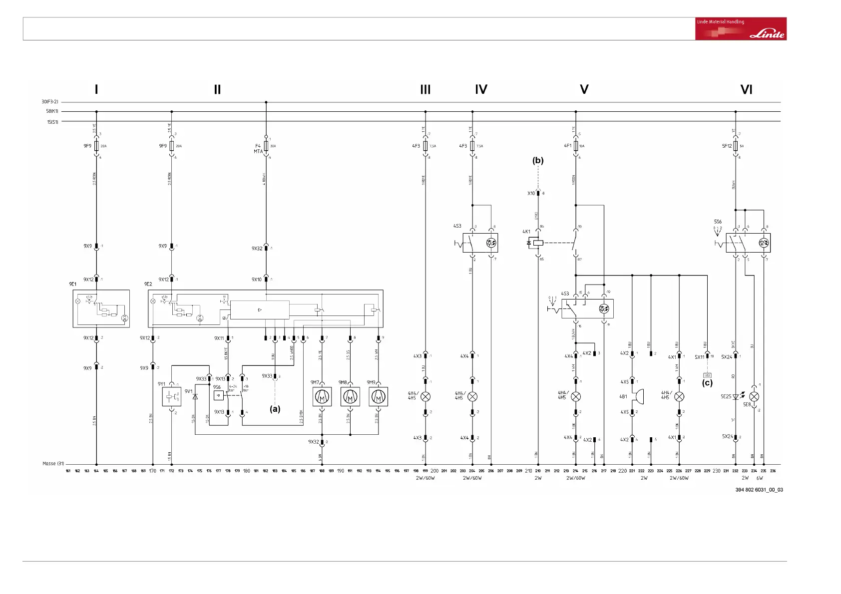
Linde H50D - Special Equipment Sheet 03 - Heating System, Air Conditioning, Flashing;Rotating Beacon, Reversing Signal, Interior Lighting;Clipboard Lighting

Linde H50D
310 pages
Print Icon
To Next Page IconTo Next Page
To Next Page IconTo Next Page
To Previous Page IconTo Previous Page
To Previous Page IconTo Previous Page
Loading...
7 Circuit diagrams
Wiring diagram
Special equipment sheet 03 Heating system, air conditioning, flashing/rotating beacon, reversing signal, interior lighting/clipboard lighting
274 Operating Instructions 394 807 10 01 EN 07/2011

Table of Contents

Related product manuals