EasyManua.ls Logo

Linde H50D - Special Equipment Sheet 02 - Windscreen Wipers, Seat Heater, Seat with Air Suspension

Linde H50D
310 pages
Print Icon
To Next Page IconTo Next Page
To Next Page IconTo Next Page
To Previous Page IconTo Previous Page
To Previous Page IconTo Previous Page
Loading...
7 Circuit diagrams
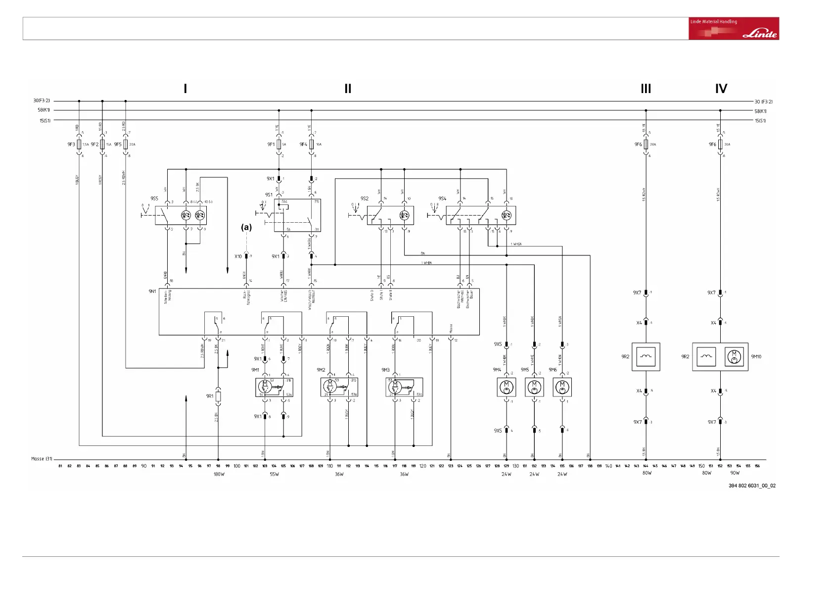
Wiring diagram
Special equipment sheet 02 Windscreen wipers, seat heater, seat with air suspension
272 Operating Instructions 394 807 10 01 EN 07/2011

Table of Contents

Related product manuals