EasyManua.ls Logo

Linde H50D - Special Equipment Sheet 06 - Higher Lighting, 12 V Socket, Diesel Filter Water Trap Warning

Linde H50D
310 pages
Print Icon
To Next Page IconTo Next Page
To Next Page IconTo Next Page
To Previous Page IconTo Previous Page
To Previous Page IconTo Previous Page
Loading...
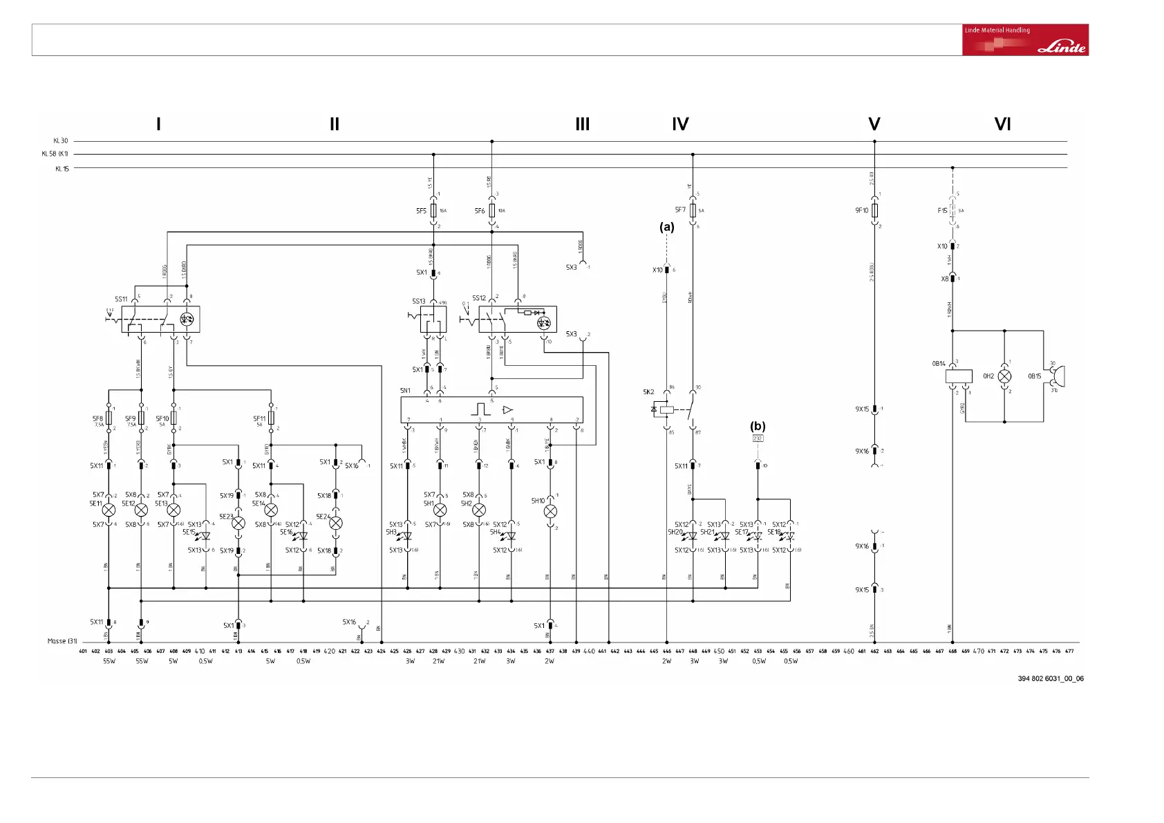
7 Circuit diagrams
Wiring diagram
Special equipment sheet 06 Higher lighting, 12 V socket, diesel filter water trap warning
280 Operating Instructions 394 807 10 01 EN 07/2011

Table of Contents

Related product manuals