EasyManua.ls Logo

Linde H50D - Hydraulic Circuit Diagram; Traction, Working and Steering Hydraulics

Linde H50D
310 pages
Print Icon
To Next Page IconTo Next Page
To Next Page IconTo Next Page
To Previous Page IconTo Previous Page
To Previous Page IconTo Previous Page
Loading...
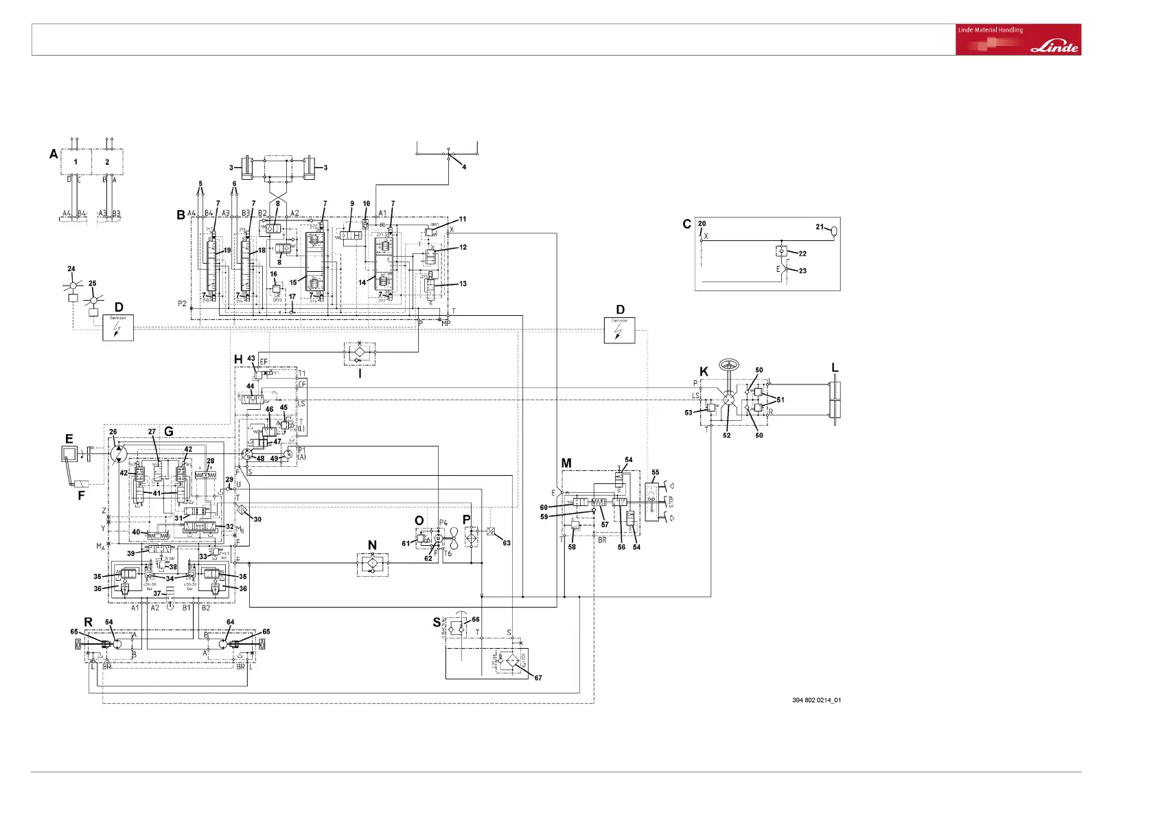
7 Circuit diagrams
Hydraulic circuit diagram
Hydraulic circuit diagram
Traction, working and steering hydraulics
294 Operating Instructions 394 807 10 01 EN 07/2011

Table of Contents

Related product manuals