EasyManua.ls Logo

MacDon R113 - Transport Lighting; Lighting - with Transport Option; Lighting - Without Transport Option

MacDon R113
212 pages
Print Icon
To Next Page IconTo Next Page
To Next Page IconTo Next Page
To Previous Page IconTo Previous Page
To Previous Page IconTo Previous Page
Loading...
215585 179 Revision A
9.3 Transport Lighting
Light assemblies provide position, hazard, turning direction, and braking information.
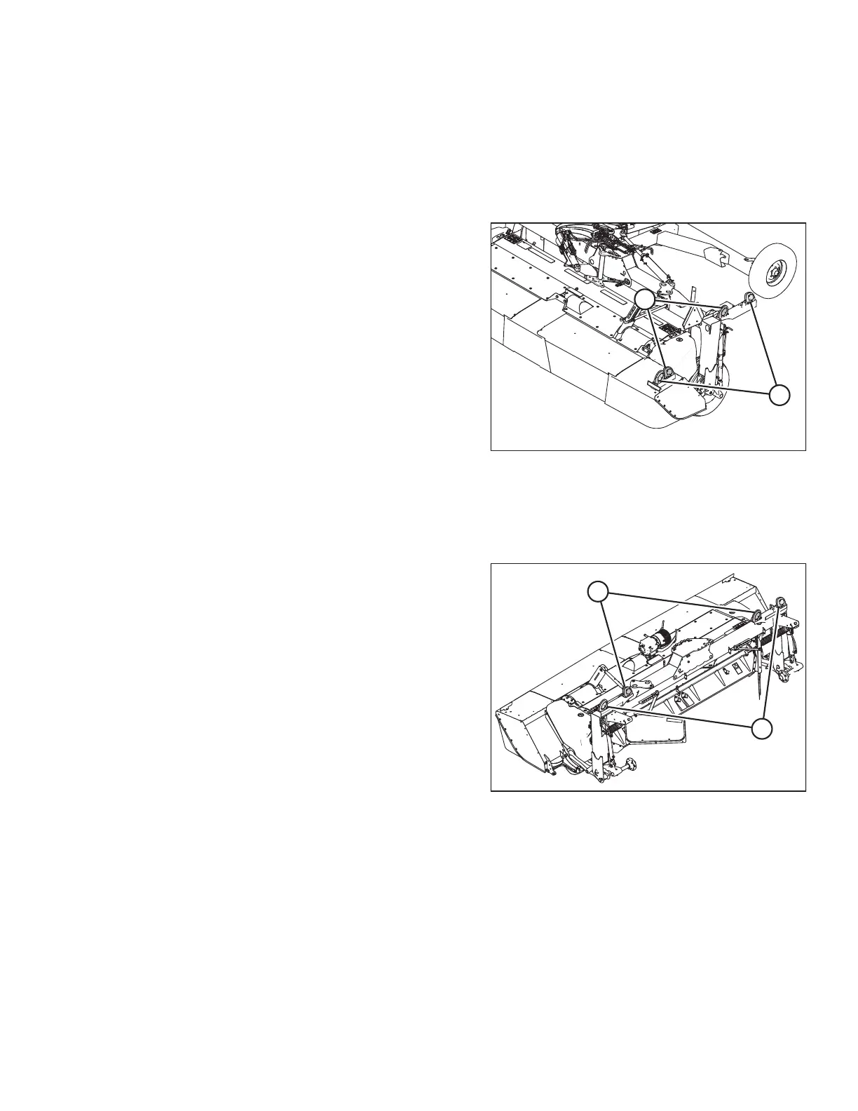
9.3.1 Lighting With Transport Option
When the optional transport system is installed, the lights mount to the left side of the machine.

$
%
Figure 9.34: Lighting Locations with Transport
The rotary disc pull-type is equipped with two bidirectional
amber lights (A) that function as flashing hazard lights and turn
signals.
Red lights (B) located on the inboard side of the amber lights
function as both tail and brake lights. Refer to the rotary disc
pull-type operators manual for information about connecting
the electrical harness to the tractor.
Amber reflective tape is applied to various locations on the
front and sides of the rotary disc pull-type, hitch, and carrier
frame. Red reflective tape is applied to the rear of the
rotary disc pull-type.
9.3.2 Lighting Without Transport Option
When no optional transport system is installed, the lights mount to the left and right corners of the carrier frame.

%
$
Figure 9.35: Lighting Locations
The rotary disc pull-type is equipped with two bidirectional
amber lights (A) located on the outboard edges of the carrier
frame that function as flashing hazard lights and turn signals.
Red lights (B) located on the inboard side of the amber lights
function as both tail and brake lights. Refer to the rotary disc
pull-type operators manual for information about connecting
the electrical harness to the tractor.
Amber reflective tape is applied to various locations on the
front and sides of the rotary disc pull-type, hitch, and carrier
frame. Red reflective tape is applied to various locations on the
rotary disc pull-type.
TRANSPORTING THE ROTARY DISC PULL-TYPE

Table of Contents

Other manuals for MacDon R113

Related product manuals