EasyManua.ls Logo

Maeda MC815C - Slewing Motor; Slewing Motor External View; Slewing Motor Connection Destinations; Slewing Motor Specifications

Maeda MC815C
378 pages
Print Icon
To Next Page IconTo Next Page
To Next Page IconTo Next Page
To Previous Page IconTo Previous Page
To Previous Page IconTo Previous Page
Loading...
2-38
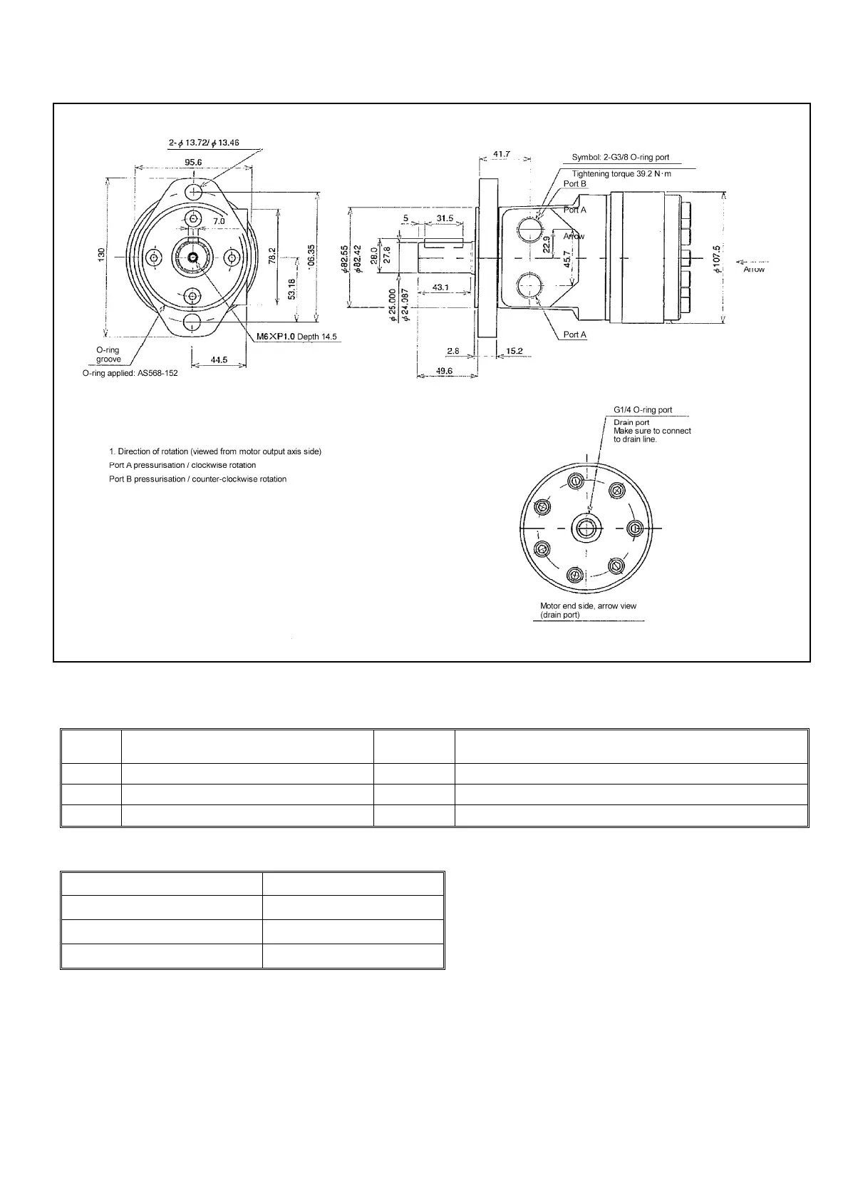
4.8 SLEWING MOTOR
4.8.1 SLEWING MOTOR EXTERNAL VIEW
4.8.2 SLEWING MOTOR CONNECTION DESTINATIONS
Port
name
Port destination Port size
Note
A Crane control valve slewing A port G3/8 Slewing rightward
B Crane control valve slewing B port G3/8 Slewing leftward
DR Hydraulic oil tank G1/4
4.8.3 SLEWING MOTOR SPECIFICATIONS
Model SBP07SS2S×M2A14
Capacity 76 cm
3
/ rev
Brake specifications With pin brake
Allowable reverse load torque
59 N•m
S103H2171000

Table of Contents

Other manuals for Maeda MC815C

Related product manuals