EasyManua.ls Logo

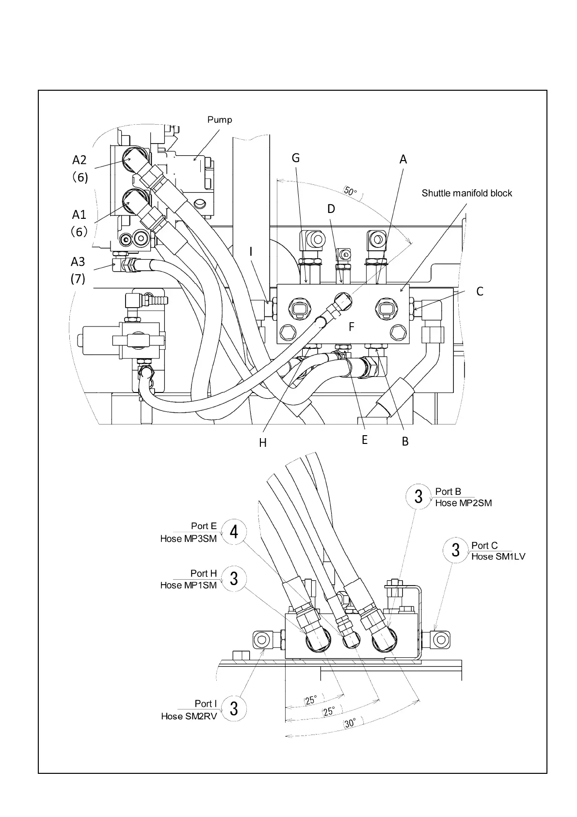
Maeda MC815C - P Lines (Pump - Shuttle Manifold Block Line); Hydraulic Piping Diagram

Maeda MC815C
378 pages
Print Icon
To Next Page IconTo Next Page
To Next Page IconTo Next Page
To Previous Page IconTo Previous Page
To Previous Page IconTo Previous Page
Loading...
2-66
4.20 Hydraulic Piping Diagram
4.20.1 P LINES (PUMP - SHUTTLE MANIFOLD BLOCK LINE)
106-1190000 - Pump

Table of Contents

Other manuals for Maeda MC815C

Related product manuals