EasyManua.ls Logo

Mash Seventy - Chapter 7 Electrical System, Section 3 Charging System; Section 3 Charging System

Mash Seventy
223 pages
Print Icon
To Next Page IconTo Next Page
To Next Page IconTo Next Page
To Previous Page IconTo Previous Page
To Previous Page IconTo Previous Page
Loading...
Chapter 7 Electrical system, Section 3 Charging System
7
-
7
Section 3 Charging System
INSPECTION
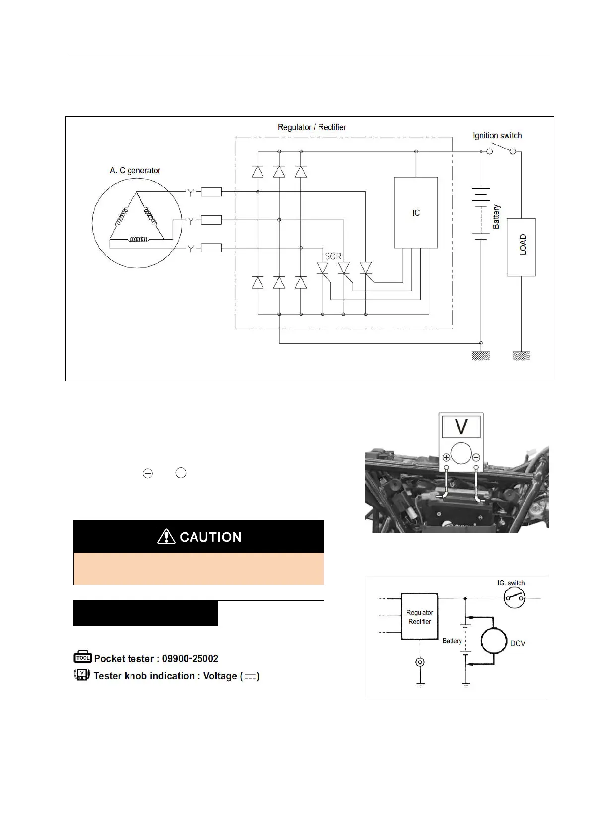
CHARGING OUTPUT CHECK
Start the engine and keep it running at 5,000 rpm.
Using the pocket tester, measure the DC voltage between the
battery terminal and .
If the voltage is not within the specified value, check the
magneto no-load performance and regulator / rectifier.
When making this test, be sure that the battery is
full-charged condition.
Standard charge
13.5
15.0 V
(at 5,000 rpm)

Table of Contents

Related product manuals