EasyManua.ls Logo

Micom P631 - Page 181

Micom P631
638 pages
Print Icon
To Next Page IconTo Next Page
To Next Page IconTo Next Page
To Previous Page IconTo Previous Page
To Previous Page IconTo Previous Page
Loading...
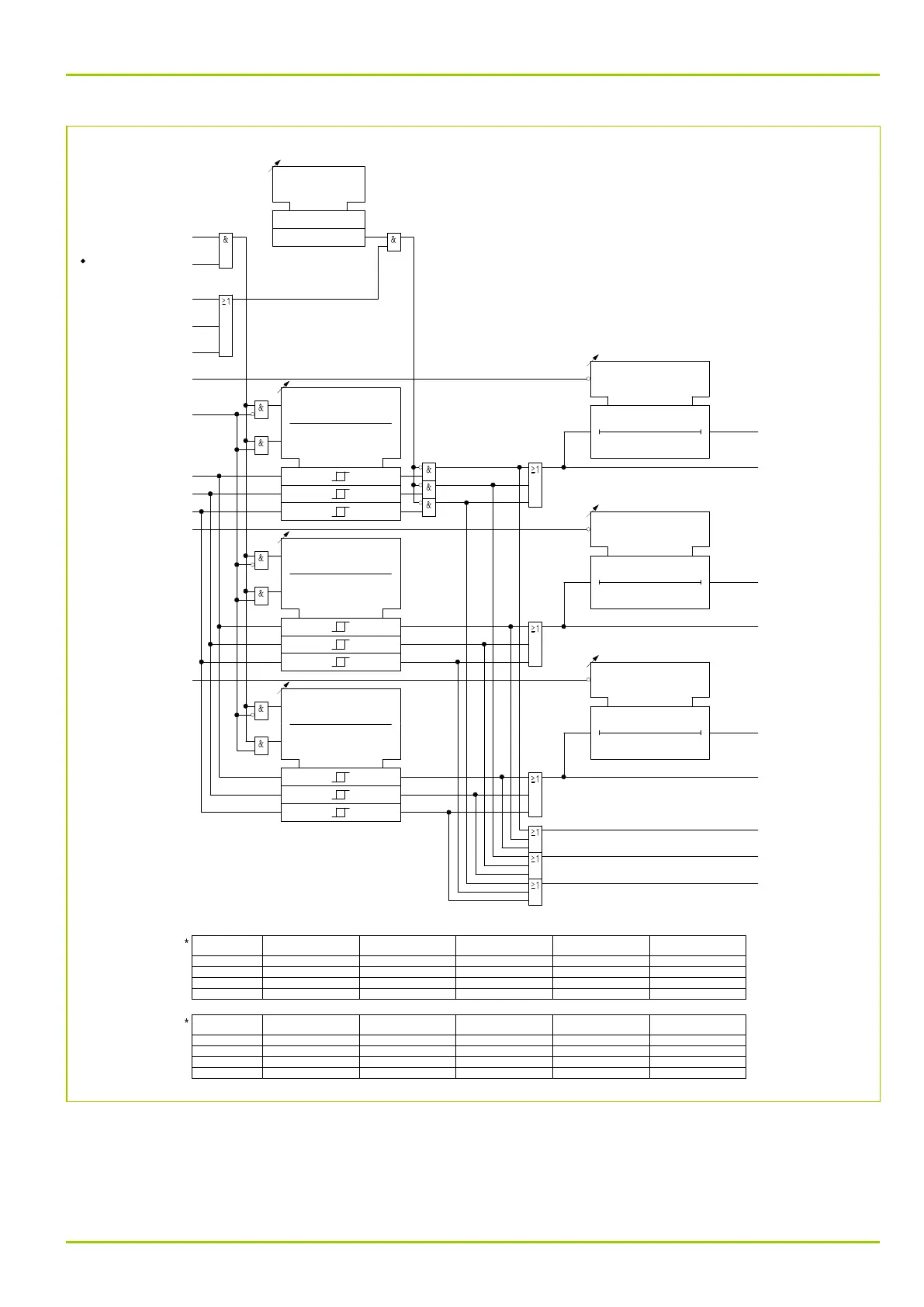
Q6Z0119A
DTOC1:
Trip signal tI>
[ 035 114 ]
DTOC1:
Starting I>
[ 035 108 ]
DTOC1:
Trip signal tI>>
[ 035 115 ]
DTOC1:
Starting I>>
[ 035 109 ]
DTOC1:
Trip signal tI>>>
[ 035 116 ]
DTOC1:
Starting I>>>
[ 035 110 ]
DTOC1:
Starting A
[ 035 104 ]
DTOC1:
Starting B
[ 035 105 ]
DTOC1:
Starting C
[ 035 106 ]
Parameter
set 1
set 2
set 3
set 4
DTOC1:
tI>> PSx
076 058
077 058
078 058
079 058
DTOC1:
I>>> PSx
076 053
077 053
078 053
079 053
DTOC1:
I>>> dynamic PSx
076 153
077 153
078 153
079 153
DTOC1:
tI>>> PSx
076 059
077 059
078 059
079 059
DTOC1:
Rush restr.enabl PSx
076 063
077 063
078 063
079 063
Parameter
set 1
set 2
set 3
set 4
DTOC1:
I> PSx
076 051
077 051
078 051
079 051
DTOC1:
I> dynamic PSx
076 151
077 151
078 151
079 151
DTOC1:
tI> PSx
076 057
077 057
078 057
079 057
DTOC1:
I>> PSx
076 052
077 052
078 052
079 052
DTOC1:
I>> dynamic PSx
076 152
077 152
078 152
079 152
DTOC1:
Rush restr.enabl PSx
[ * ]
0: No
1: Yes
0
1
DTOC1:
I> PSx
[ * ]
DTOC1:
I> dynamic PSx
[ * ]
DTOC1:
I>> PSx
[ * ]
DTOC1:
I>> dynamic PSx
[ * ]
DTOC1:
I>>> PSx
[ * ]
DTOC1:
I>>> dynamic PSx
[ * ]
DTOC1:
tI> PSx
[ * ]
DTOC1:
tI>> PSx
[ * ]
DTOC1:
tI>>> PSx
[ * ]
MAIN:
Protection active
306 001
DIFF:
Harm.block 1 trigg.
[ 041 118 ]
DIFF:
Harm.block 2 trigg.
[ 041 119 ]
DIFF:
Harm.block 3 trigg.
[ 041 120 ]
DTOC1:
Block. tI> EXT
[ 035 120 ]
MAIN:
Dynam. param. active
[ 040 090 ]
DTOC1:
Enabled
[ 035 102 ]
DTOC1:
Block. tI>> EXT
[ 035 121 ]
DTOC1:
Block. tI>>> EXT
[ 035 122 ]
IA,y
IB,y
IC,y
0 t
c
0 t
c
0 t
c
c
c
c
c
c
c
Fig. 3-92: Phase current stages
3 Operation
P631
P631/EN M/R-11-C // P631-310-650 3-125

Table of Contents

Related product manuals