EasyManua.ls Logo

Micom P631 - Residual Current Stages

Micom P631
638 pages
Print Icon
To Next Page IconTo Next Page
To Next Page IconTo Next Page
To Previous Page IconTo Previous Page
To Previous Page IconTo Previous Page
Loading...
MAIN:
Phase sequence
[ 010 049 ]
64Z5074C
Parameter
set 1
set 2
set 3
set 4
DTOC1:
Ineg>> PSx
076 198
077 198
078 198
079 198
DTOC1:
Ineg> dynamic PSx
076 200
077 200
078 200
079 200
DTOC1:
Ineg> PSx
076 197
077 197
078 197
079 197
DTOC1:
Ineg>> dynamic PSx
076 201
077 201
078 201
079 201
DTOC1:
Rush restr.enabl PSx
076 063
077 063
078 063
079 063
Parameter
set 1
set 2
set 3
set 4
DTOC1:
tIneg> PSx
076 203
077 203
078 203
079 203
DTOC1:
Ineg>>> dynamic PSx
076 202
077 202
078 202
079 202
DTOC1:
Ineg>>> PSx
076 199
077 199
078 199
079 199
DTOC1:
tIneg>> PSx
076 204
077 204
078 204
079 204
DTOC1:
tIneg>>> PSx
076 205
077 205
078 205
079 205
DTOC1:
Gen.starting modePSx
076 066
077 066
078 066
079 066
DTOC1:
Trip signal tIneg>>
[ 036 152 ]
DTOC1:
tIneg>> elapsed
[ 036 149 ]
DTOC1:
Starting Ineg>>
[ 036 146 ]
DTOC1:
Trip signal tIneg>>>
[ 036 153 ]
DTOC1:
tIneg>>> elapsed
[ 036 150]
DTOC1:
Starting Ineg>>>
[ 036 147 ]
DTOC1:
Starting Ineg
[ 036 144 ]
DTOC1:
Trip signal tIneg>
[ 036 151 ]
DTOC1:
tIneg> elapsed
[ 036 148 ]
DTOC1:
Starting Ineg>
[ 036 145 ]
DTOC1:
Gen.starting modePSx
[ * ]
DTOC1:
Block. tIneg> EXT
[ 036 141 ]
DTOC1:
Rush restr.enabl PSx
[ * ]
1: With start. IN/Ineg
1: Yes
DIFF:
Harm.block 1 trigg.
[ 041 118 ]
DIFF:
Harm.block 2 trigg.
[ 041 119 ]
DIFF:
Harm.block 3 trigg.
[ 041 120 ]
MAIN:
Dynam. param. active
[ 040 090 ]
DTOC1:
Enabled
[ 035 102 ]
MAIN:
Protection active
306 001
IA,y
IB,y
IC,y
DTOC1:
Block. tIneg>> EXT
[ 036 142 ]
DTOC1:
Block. tIneg>>> EXT
[ 036 143 ]
DTOC1:
Ineg> PSx
[ * ]
DTOC1:
Ineg> dynamic PSx
[ * ]
DTOC1:
Ineg>> PSx
[ * ]
DTOC1:
Ineg>> dynamic PSx
[ * ]
DTOC1:
Ineg>>> PSx
[ * ]
[ * ]
DTOC1:
tIneg>> PSx
[ * ]
DTOC1:
tIneg>>> PSx
[ * ]
DTOC1:
tIneg> PSx
[ * ]
Ineg,y
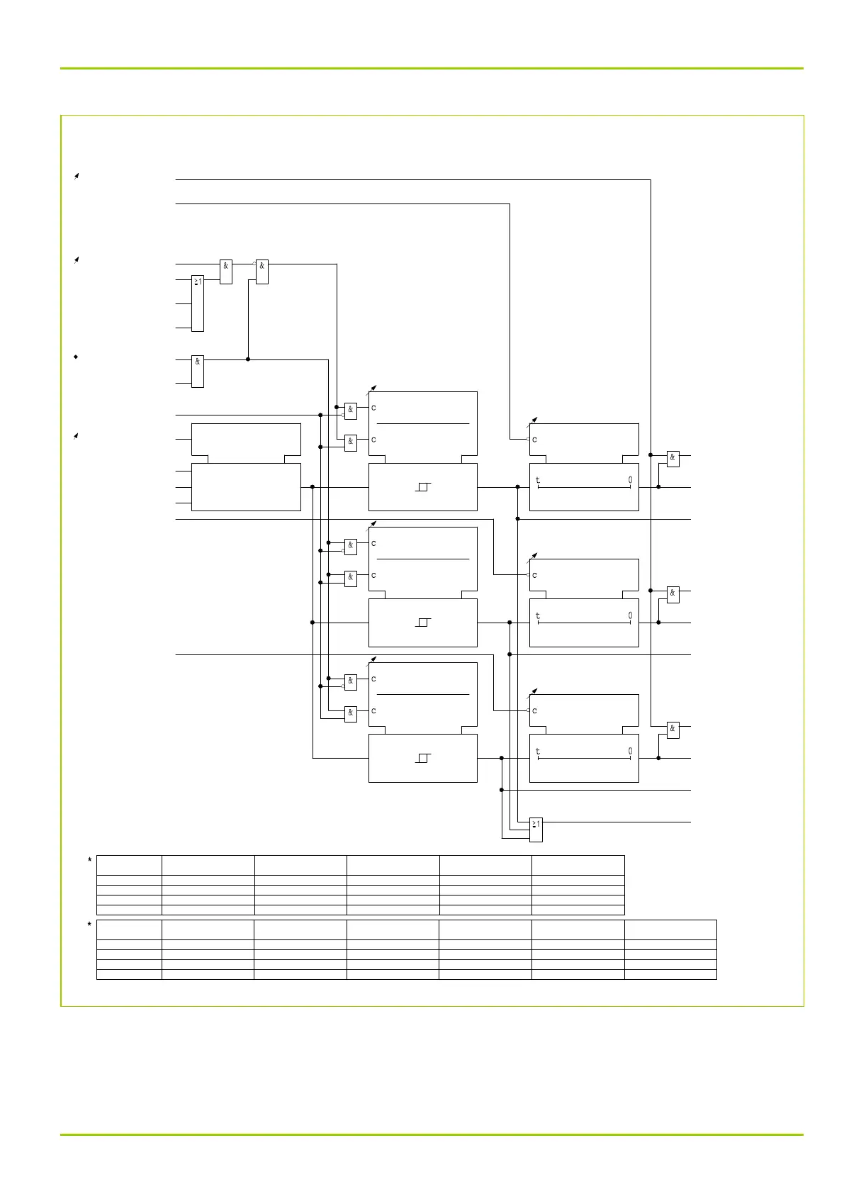
Fig. 3-93: Negative-sequence current stages
3.22.4 Residual Current Stages
The residual current is monitored by the P631 with three-stage functions to
detect when it exceeds the set thresholds. One of two different threshold types
3 Operation
P631
P631/EN M/R-11-C // P631-310-650 3-127

Table of Contents

Related product manuals