EasyManua.ls Logo

Micom P631 - Page 219

Micom P631
638 pages
Print Icon
To Next Page IconTo Next Page
To Next Page IconTo Next Page
To Previous Page IconTo Previous Page
To Previous Page IconTo Previous Page
Loading...
CBF_1:
Fct.assignm. CBAux.
[ 022 159 ]
m out of n
Signal 1
Signal 2
Signal n
Selected signals
CBF_1:
I<
[ 022 160 ]
IA
CBF_1:
CB pos. implausible
[ 038 210 ]
INP:
Fct. assignm. U xxx
[ xxx yyy ]
U x01
U x02
U x03
U xxx
038 209
CBF_1:
Start enable EXT
[ 038 209 ]
CBF_1:
Start 3p EXT
[ 038 205 ]
CBF_1:
Start with man. trip
[ 022 154 ]
0
1
MAIN:
Manual trip signal
[ 034 017 ]
MAIN:
Trip cmd. blocked
[ 021 013 ]
64Z1104D
0: No
CBF_1:
Startup 3p
[ 038 211 ]
IB
IC
CBF_1:
Fct.assign. starting
[ 022 202 ]
Gen.trip signal 1
Gen.trip signal 2
Gen.trip signal 3
Gen.trip signal 4
MAIN:
Gen. trip signal 1
[ 036 005 ]
MAIN:
Gen. trip signal 2
[ 036 023 ]
MAIN:
Gen. trip signal 3
[ 036 108 ]
MAIN:
Gen. trip signal 4
[ 036 109 ]
MAIN:
CB1 open 3p EXT
[ 031 028 ]
MAIN:
CB1 closed 3p EXT
[ 036 051 ]
&
&
&
&
&
&
&
&
&
&
&
&
>1
1
1
1
S
R
&
&
>1
>1
1
1
1
S
R
&
>1
CBF_1:
Current flow N
[ 038 235 ]
1: Yes
Address
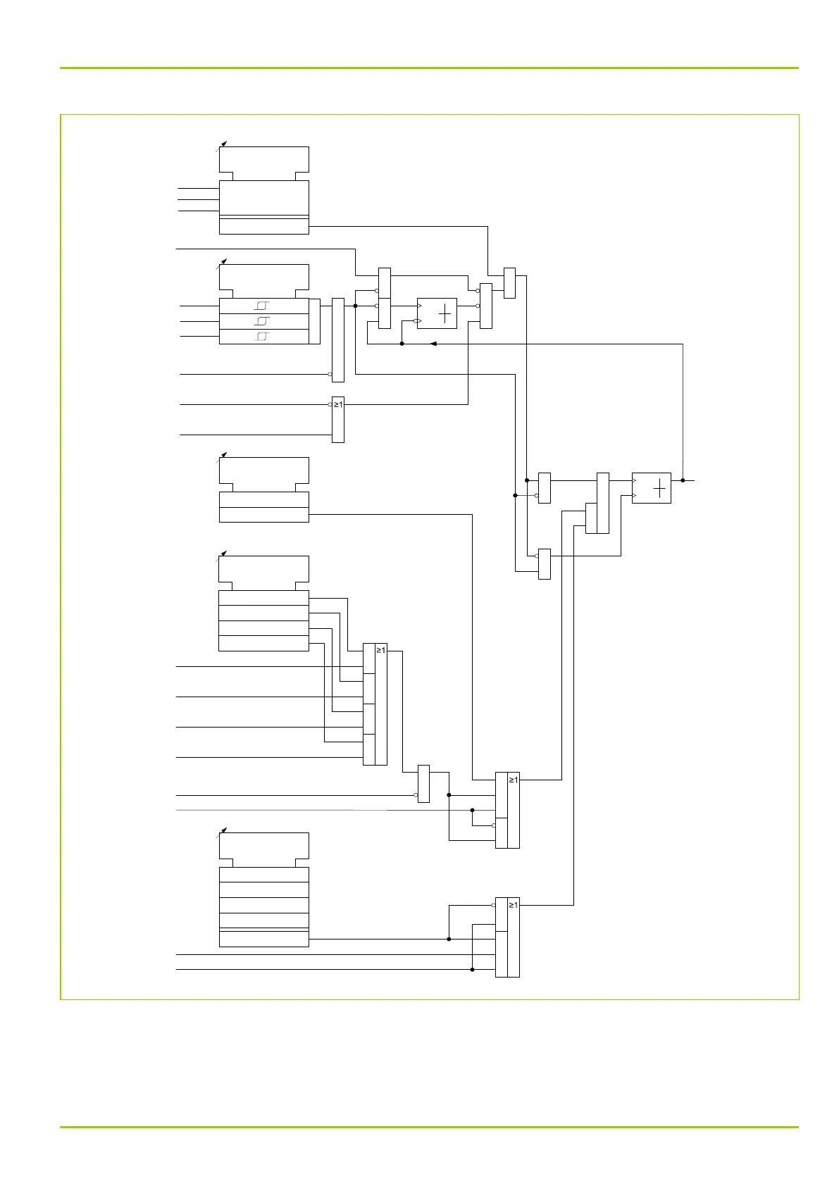
Fig. 3-130: Startup of the circuit breaker failure protection
3 Operation
P631
P631/EN M/R-11-C // P631-310-650 3-163

Table of Contents

Related product manuals