EasyManua.ls Logo

Motorola Astro XTL 1500 - Figure 4-2. Frequency Generation Unit Block Diagram (VHF); Table 4-6. LV Frac-N U3751 Pin Descriptions (VHF)

Motorola Astro XTL 1500
452 pages
To Next Page IconTo Next Page
To Next Page IconTo Next Page
To Previous Page IconTo Previous Page
To Previous Page IconTo Previous Page
Loading...
6815854H01-A June 15, 2005
Troubleshooting Procedures: VHF (136–174 MHz) Band Main Board Troubleshooting 4-9
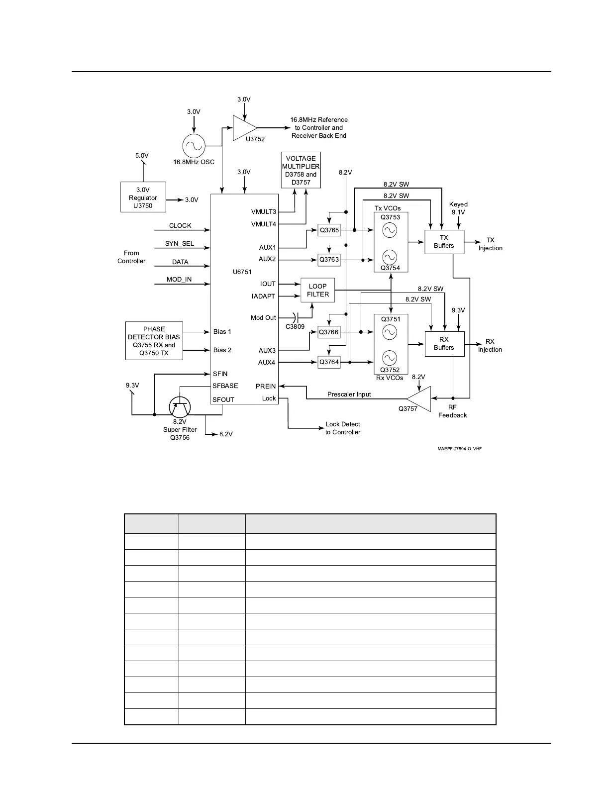
Figure 4-2. Frequency Generation Unit Block Diagram (VHF)
Table 4-6. LV Frac-N U3751 Pin Descriptions (VHF)
Pin No. Pin Name Description
1
AUX2 Auxiliary logic output, high selects Low TX VCO
2
AUX3 Auxiliary logic output, high selects Low RX VCO
3
AUX4 Auxiliary logic output, high selects High RX VCO
4
LOCK Lock detect—logic high indicates in-lock condition
5
PD_VDD 3.0-V supply (phase detector)
6
GROUND Ground (digital)
7
DATA SPI data I/O
8
CLK SPI clock
9
CEX SPI enable line—active low
10
MODIN Modulation input from controller
11
VMULT4 Multiplier clock output
12
VMULT3 Multiplier clock output
Bias 1
3.0V
3.0V
3.0V
3.0V
8.2V
8.2V
Q3765
Q3763
Q3766
Q3764
Lock Detect
to Controller
Prescaler Input
Q3757
RF
Feedback
RX
Buffers
TX
Buffers
RX
Injection
TX
Injection
Keyed
9.1V
Q3753
Q3751
8.2V
C3809
LOOP
FILTER
Bias 2
9.3V
9.3V
SFIN
SFBASE
SFOUT
Lock
PREIN
AUX4
AUX3
Mod Out
IADAPT
IOUT
AUX2
AUX1
VMULT4
VMULT3
5.0V
16.8MHz Reference
to Controller and
Receiver Back End
VOLTAGE
MULTIPLIER
D3758 and
D3757
16.8MHz OSC
8.2V
Super Filter
Q3756
8.2V SW
8.2V SW
8.2V SW
8.2V SW
U3752
U6751
3.0V
Regulator
U3750
PHASE
DETECTOR BIAS
Q3755 RX and
Q3750 TX
CLOCK
SYN_SEL
DATA
MOD_IN
From
Controller
MAEPF-27804-O_VHF
Q3754
Tx VCOs
Q3752
Rx VCOs

Table of Contents

Related product manuals