EasyManua.ls Logo

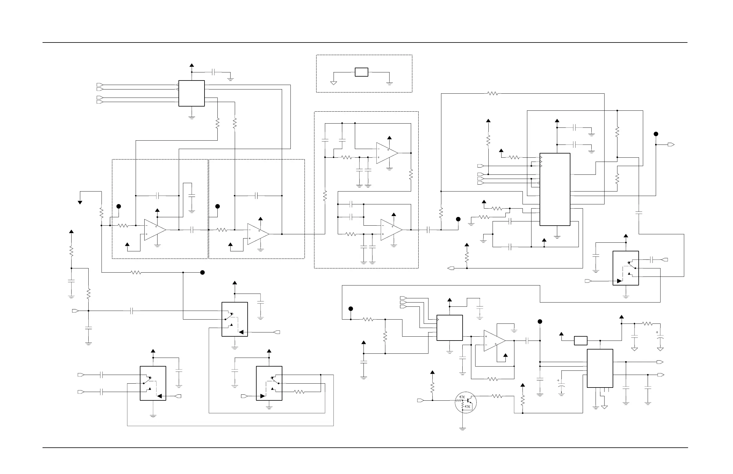
Motorola Astro XTL 1500 - Figure 7-52. HUE4039 A Controller Audio Schematic

Motorola Astro XTL 1500
452 pages
To Next Page IconTo Next Page
To Next Page IconTo Next Page
To Previous Page IconTo Previous Page
To Previous Page IconTo Previous Page
Loading...
Schematics, Component Location Diagrams, and Parts Lists: HUE4039A (UHF Range 1) Main Board 7-69
6815854H01-A June 15, 2005
Figure 7-52. HUE4039A Controller Audio Schematic
Programmable pre-amp stage
Anti-aliasing filter
Programmable pre-amp stage
-9 dB to +14 dB
NU
-14 dB to +14 dB
AUDIO_GROUND
Ground
7 dB Attenuation Stage
UNIVERSAL GROUND
RX_FILT_AUDI
O
SPKR+
SPKR-
VOL_OUT*
AUX_TX_B
CODEC_OUT_C
RX_AUDIO_IN
MUX_AUX_TX
AUX_MIC*
AUX_TX*
AUX_MIC
AUX_TX
MIC_PREAMP_IN
MIC_PREAMP_OUT
VOLUME_IN
EEPOT_U_D*
EEPOT_INC*
SPI_SCKA
SPI_MOSIA
EEPOT_3_CS*
MUX_MICATTEN
VOL_OUT
CODEC_OUT
AUX_TX_A
MIC_HI*
CODEC_OUT_B
MIC_M
MIC_A
MIC_C
MIC_B
MIC_E
MIC_K
MIC_N
CODEC_OUT_A
MIC_L
MIC_G
MIC_J
MIC_I
MIC_F
MIC_H
EEPOT_CS*
AUX_RX
SAP_FSYNC
SAP_TX
SAP_DCLK
AUDIO_PA_EN
MUX_TX
MUX_RX
EEPOT_2_CS*
MIC_HI
MIC_D
AUDIO_PA_IN
SAP_RX
CODEC_PWR_DOWN
C0230
C0235
470pF
R0204
470pF
VAG
VCC2.85
560
R0208
SW_A+
100K
VCC2.85
C0207
33pF
R0236
9.1K
68K
R0227
C0201
0.1uF
0.1uF
C0216
4.7uF
A+
VAG
C0204
R0206
100K
150pF
C0205
VAG
0.1uF
C0224
R0223
18K
VCC2.85
10uF
C0220
U0204
R0222
10K
VCC2.85
C0226
0.1uF
C0210
0.1uF
A+_FILT
1uFC0208
U0201-4
U0207
3300pF
C0217
Q0200
U0210
R0207
7.5K
1K
100K
R0203
0.1uF
C0239
R0210
10K
C0203
0.1uF
R0209
220pF
C0231
SC0001
U0203
33K
R0228
VCC2.85
R0235
10K
1uF
C0206
10uF
C0221
VCC2.85
TP0200
U0208
C0242
R0200
1K
0.1uF
C0214
VCC2.85
C0225
0.1uF
36K
VCC2.85
0.1uF
100K
R0226
0.1uF
R0212
C0240
R0224
0
U0200
U0201-3
VCC2.85
VAG
TP0203
C0209
0.1uF
U0206
470pF
C0232
10K
TP0205
VCC5
R0221
47K
VAG
VCC2.85
R0205
R0216
100K
C0215
TP0201
4.7uF
0.1uF
C0223
TP0202
U0209
VCC2.85
68K
R0229
2.7
R0231
0
R0201
SC0002
0.1uF
C0227
U0201-1
C0202
0.1uF
10K
TP0204
C0228
R0225
C0233
150pF
220pF
220pF
VCC2.85
C0237
U0202
C0234
100pF
0.1uF
C0211
VCC2.85
VCC5
U0201-2
1K
R0219
3.3K
R0202
R0218
1K
18K
R0220
0.1uF
C0212
TP0206
6800pF
C0244
VCC2.85
6800pF
C0243
220pF
C0213
VCC2.85
C0238
470pF
0.1uF
33K
R0230
C0236
9.3V_TX
NU
NU
NINV
4
OUT1
6
OUT2
3
RR
7
VCC
2
GND1
GND2
5
10
GND3
GND4
11
9
INV
8
M_SS
1
13
12
14
4
11
4
3
1
2
5
VPOS
2
5
COM
GND
3
1
IN
4
NC
6
NO
I1
1
I2
2
COM
5
GND
3
IN
1
NC
4
NO
6
2
VPOS
2
5
COM
GND
3
1
IN
4
NC
6
NO
VPOS
VDD
15
VSS
PO_NEG
5
PO_POS
2
RO_NEG
17
TG
18
TI_NEG
19
TI_POS
20
VAG
1
VAGREF
6
DR
13
DT
7
FSR
14
FST
16
HB
11
MCLK
10
PDI
3
PI
4
4
11
9
BCLKR
12
BCLKT
8
9
10
8
1
VREFIN
6
CLK
5
DATA
3
GND
8
IN
4
LOAD
2
OUT
7
VDD
GND
3
1
IN
4
NC
6
NO
VPOS
2
5
COM
I1
1
I2
2
4
11
2
3
1
VDD
3
W1
4
W2
7
CS1
1
CS2
10
GND
8
INC
9
L1
5
6
L2
U_D
2
6
5
7
4
11

Table of Contents

Related product manuals