EasyManua.ls Logo

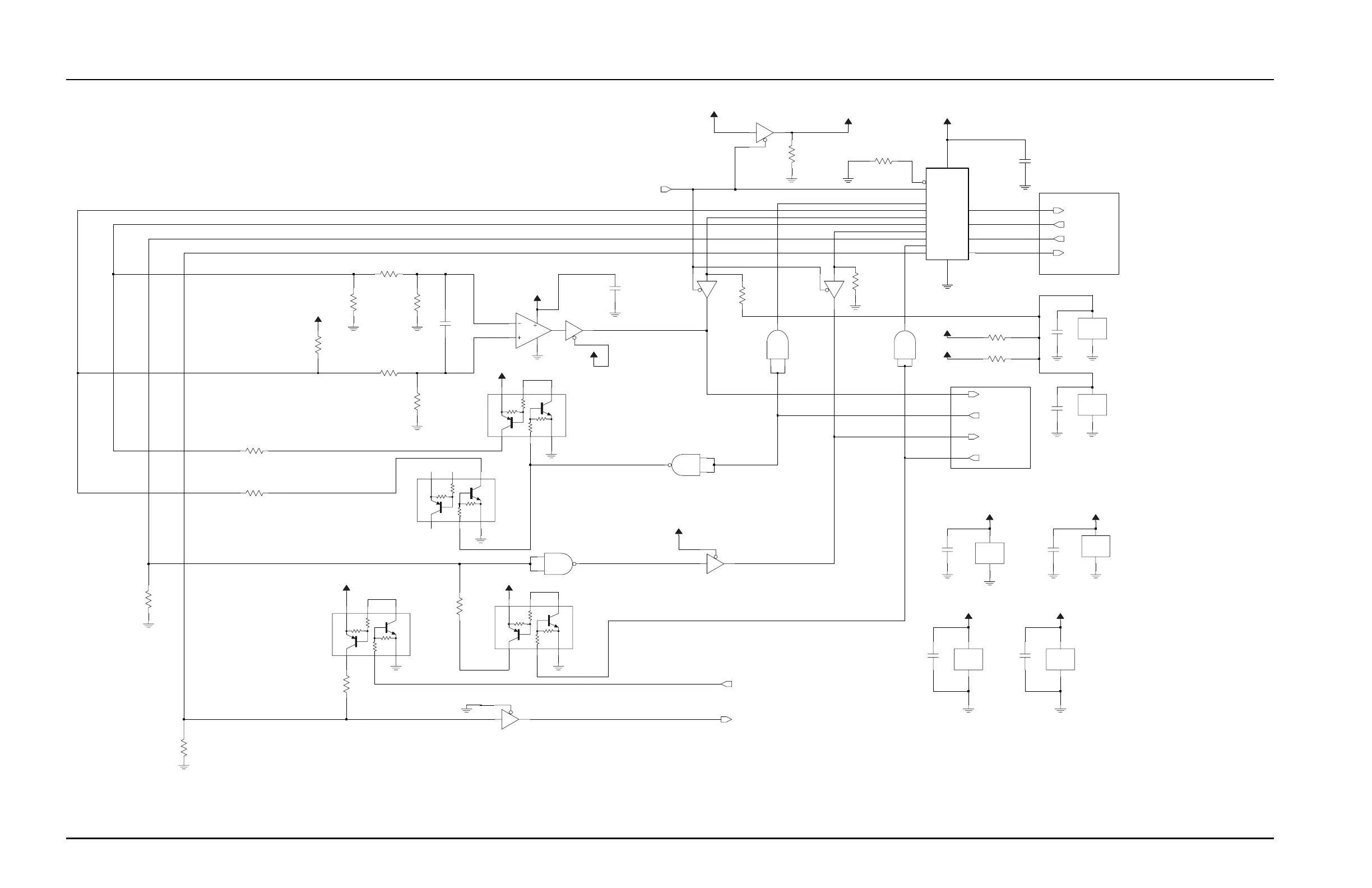
Motorola Astro XTL 1500 - Figure 7-40. HUD4022 A SB9600 Schematic

Motorola Astro XTL 1500
452 pages
To Next Page IconTo Next Page
To Next Page IconTo Next Page
To Previous Page IconTo Previous Page
To Previous Page IconTo Previous Page
Loading...
7-48 Schematics, Component Location Diagrams, and Parts Lists: HUD4022A (VHF) Main Board
June 15, 2005 6815854H01-A
Figure 7-40. HUD4022A SB9600 Schematic
BUFFER SUPPLY BUFFER SUPPLY
Patriot UART B
Connector IF
NP
NAND SUPPLY NAND SUPPLY
BUFFER SUPPLY
BUFFER SUPPLY
73D02970C73-O
SHEET 18 OF 23
0.1uF
MC33202
U0609
MC74VHC1G00
4
2
100K
1
R0634
U0607
NC7ST08
2
4
2
1
U0602
MC74LCX125
3
1
UCTS2
Q0612
URTS2
LHRST_OUT
LHRST_IN
BUSY
BUSY
SB96_RS232*_EN
UTXD2
URXD2
BUS+
BUS-
LH_RESET
100
R0623
R0620
100
R0622
100
100
R0621
Q0610
U0610
MC74VHC1G00
VCC5
4
1
2
SB96_RS232*_EN_INV
SB96_RS232*_EN_INV
MC74LCX125
6
4
5
U0602
Q0613
VCC5
10K
R0639
VCC5
VCC5
Q0611
10K
R0625
10K
R0629
4
8
C0600
BUSY*
BUS+*
BUS-*
LH_RESET*
100K
R0626
BUS+_UARTB_TXD
BUS-_UARTB_RXD
BUSY_UARTB_RTS
RESET_UARTB_CTS
8
10
9
MC74LCX125
VCC2.85
MC74LCX125
U0602
11
13
12
U0602
VCC2.85
U0603
PWR_GND
10K
SN74CBT3257
U0606
0.1uF
R0636
100K
C0614
0.1uF
PWR_GND
U0602
GND
7
VCC
14
100K
R0635
100K
R0627
100K
R0630
PWR_GND
U0607
GND
3
100pF
R0628
PWR_GND
U0609
GND
3
VCC
5
100
R0624
1
3
2
U0604
10K
SB96_RS232*_EN_INV
C0616
0.1uF
C0604
PWR_GND
U0610
GND
3
VCC
5
VCC5
R0632
VCC2.85
VCC5
R0631
0
VCC2.85
VCC2.85
0
C0603
0.1uF
0.1uF
C0610
0.1uF
C0611
1
2
4
VCC
5
U0608
NC7ST08
VCC
5
PWR_GND
U0608
GND
3
U0603
MC74LCX125
5
4
6
R0638
MC74LCX125
U0603
21
3
YB
7
YC
9
YD
12
VCC5
C0606
I0D
14
I1A
3
I1B
6
I1C
10
I1D
13
SELECT
1
VCC
16
YA
4
EN_OE
15
GND
8
I0A
2
I0B
5
I0C
11
7
GND
14
VCC
VCC2.85
0.1uF
C0613
10K
10K
10K
10K
10K
10K
10K
10K
10K
10K
10K
10K
10K
10K
10K
10K

Table of Contents

Related product manuals