EasyManua.ls Logo

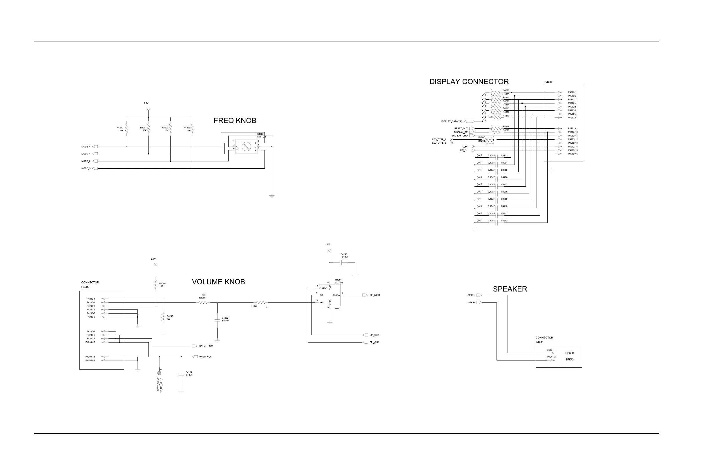
Motorola Astro XTL 1500 - Figure 7-12. User Interface (Sheet 2 of 2)

Motorola Astro XTL 1500
452 pages
To Next Page IconTo Next Page
To Next Page IconTo Next Page
To Previous Page IconTo Previous Page
To Previous Page IconTo Previous Page
Loading...
7-14 Schematics, Component Location Diagrams, and Parts Lists: Control Head Main Board
June 16, 2005 6815854H01-A
Figure 7-12. User Interface (Sheet 2 of 2)

Table of Contents

Related product manuals