EasyManua.ls Logo

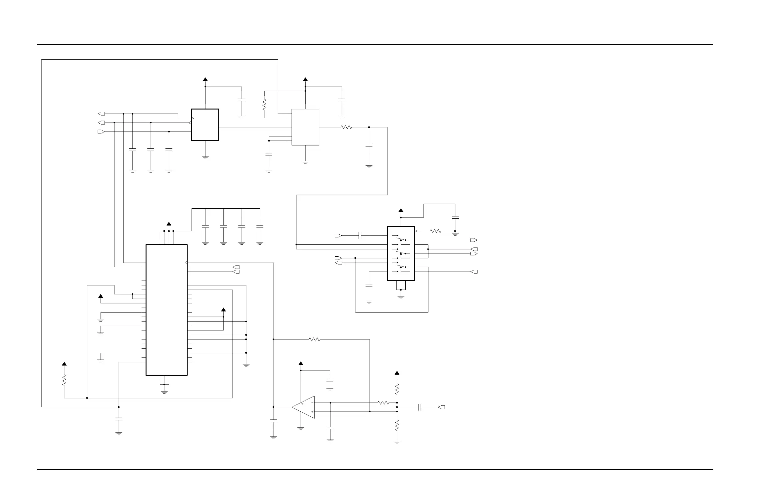
Motorola Astro XTL 1500 - Figure 7-51. HUE4039 A Controller Urchin IC, MUX, and AD5320 DAC Schematic

Motorola Astro XTL 1500
452 pages
To Next Page IconTo Next Page
To Next Page IconTo Next Page
To Previous Page IconTo Previous Page
To Previous Page IconTo Previous Page
Loading...
7-68 Schematics, Component Location Diagrams, and Parts Lists: HUE4039A (UHF Range 1) Main Board
June 15, 2005 6815854H01-A
Figure 7-51. HUE4039A Controller Urchin IC, MUX, and AD5320 DAC Schematic
100pF
C0917
VCC2.85
100K
R0903
100
100
R0907
100pF
R0906
C0915
FL0900
100pF
C0918
100K
R0904
VCC2.85
U0900
VCC2.85
0.1uF
C0910
8.2K
R0901
100K
R0900
100pF
VCC2.85
C0911
0.1uF
C0907
C0919
100pF
33pF
C0914
0.1uF
C0908
C0904
220pF
VCC2.85
C0906
0.1uF
U0901
U0902
C0912
100pF
VCC2.85
R0905
100K
0.1uF
C0902
0.1uF
C0913
C0916
VCC2.85
100pF
C0901
0.1uF
0.1uF
C0905
R0902
VCC2.85
100K
C0909
U0903
VCC2.85
0.1uF
C0903
0.1uF
NU
3
GND
2
IN
OS
6
5
OUT
SHDN
7
VDD
4
8
CLK
COM
1
GND
2
SCLK
5
SYNC
6
VDD
3
VOUT
1
DIN
4
G4
A6
TCK
E5
TDI
B1
B7
TDO
TMS
D2
VCC1
B3
VCC2
C7
VCC3
E2
VCC4
NC30
NC31
G6
NC4
A7
NC5
B2
NC6
B4
B5
NC7
NC8
B6
NC9
C2
RESET
F3
NC24
F4
NC25
F5
NC26
F6
NC27
F7
NC28
G2
NC29
G3
A4
NC3
G5
D6
NC17
D7
NC18
E1
NC19
E4
NC2
A2
NC20
E7
NC21
F1
NC22
F2
NC23
G1
NC1
A1
NC10
C4
NC11
C5
NC12
C6
NC13
D1
NC14
D3
NC15
D4
NC16
16.8_CLK
A3
ENABLE
C1
GND1
A5
GND2
E3
GND3
E6
C3
JTAG_EN
2.4_MHZ
G7
48_MHZ Z
4
Z0
5
3
Z1
VCC
16
VEE
7
X
14
X0
12
13
X1
Y
15
Y0
2
Y1
1
11
A
B
10
C
9
EN
6
GND
8
4
3
1
5
2
MODIN
SCF_OUT
MIC_TUNE_ENURCHIN_EN
RESET
AUX_TX
AUX_MIC
DAC_SSI_CLK
DAC_SSI_TXD
16.8_MHZ_DC
RX_FILT_AUDIO_IN
RX_FILT_AUDIO_OUT
16.8MHZ_SQARE
DAC_SSI_FSYNC
MODEM_EN
16.8_MHZ
AD5320_OUT

Table of Contents

Related product manuals