EasyManua.ls Logo

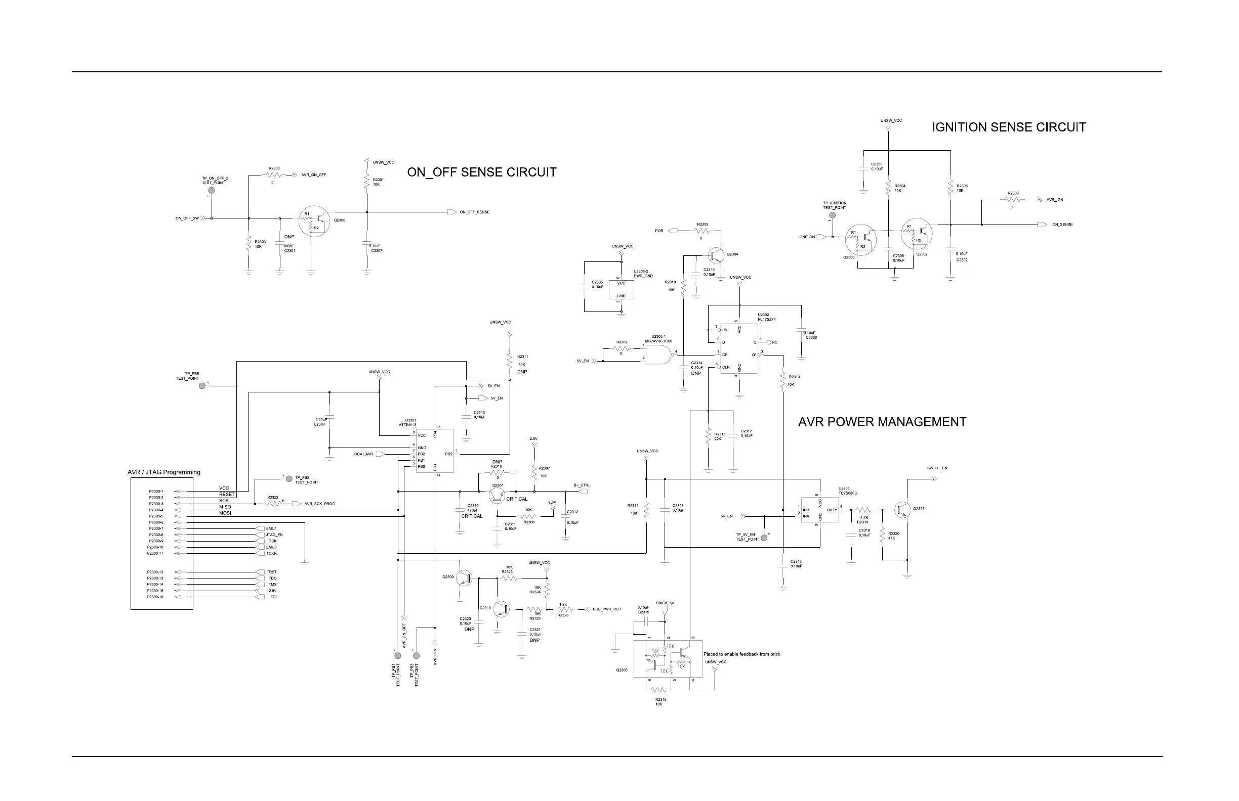
Motorola Astro XTL 1500 - Figure 7-7. AVR Power Management Control

Motorola Astro XTL 1500
452 pages
To Next Page IconTo Next Page
To Next Page IconTo Next Page
To Previous Page IconTo Previous Page
To Previous Page IconTo Previous Page
Loading...
Schematics, Component Location Diagrams, and Parts Lists: Control Head Main Board 7-9
6815854H01-A June 16, 2005
Figure 7-7. AVR Power Management Control

Table of Contents

Related product manuals